박수성
(Su-Seong Park)
1iD
김동중
(Dong-Jung Kim)
1iD
이상혁
(Sang-Hyeok Lee)
2iD
김래영
(Rae-Young Kim)
†iD
-
(Dept. of Electrical Engineering, Hanyang University, Republic of Korea.)
-
(Smart Electrics Research Center, Korea Electronics Technology Institute, Republic
of Korea.)
Copyright © The Korea Institute for Structural Maintenance and Inspection
Key words
Integrated Transformer, LLC Resonant Converter, Leakage Inductance, Thermal Analysis, High Efficiency, High Power Density, High Frequency.
1. 서 론
최근 전기차 EV(Electric Vehicle)는 환경 보호와 기술 발전 덕분에 시장 수요가 점차적으로 커지고 있다[1]. 하지만 EV 산업에서는 여전히 효율적이고 소형화된, 그리고 비용이 저렴한 배터리 충전 기술이 중요한 문제로 남아있다[2]. 대표적인 EV내 배터리 충전 시스템은 그림 1과 같이 계통의 AC 전압을 DC로 변환하는 AC/DC 전력변환장치 PFC(Power Factor Correction) 컨버터와 이를 통해 변환된
DC 전압의 레벨 조정 및 전력 변환을 수행하는 DC/DC 전력변환장치로 구성된다[3-4]. 이 중 DC/DC 전력변환장치의 토폴로지로사용되는 기존의 벅, 부스트 컨버터와 같은 PWM(Pulse Width Modulation) 컨버터는
하드 스위칭 동작으로 인해, 높은 효율을 달성하기 어려울 뿐만 아니라 스위칭 주파수가 제한되어 높은 전력 밀도를 달성하기 어렵다[5]. 이와 반면에 공진형 컨버터는 소프트 스위칭 동작으로 인해 높은 스위칭 주파수 영역에서 동작이 가능하여, 고효율 및 고밀도를 달성할 수 있다. 따라서
여러 가지 공진형 컨버터 회로가 개발되어 왔으며 응용 분야 또한 점차적으로 확장되고 있다[6-8]. 공진 커패시터와 공진 인덕터, 그리고 고주파 변압기로 구성되는 공진 네트워크를 가지는 LLC 공진형 컨버터는 변압기 1, 2차에 위치한 MOSFET과
Diode의 영-전압 스위칭(ZVS) 또는 영-전류 스위칭(ZCS) 달성을 통해 높은 효율의 구현이 가능하다. 또한 공진 네트워크의 공진 인덕터를
고주파 변압기의 1차 측 누설 인덕터로 대체한 일체형 고주파 변압기의 적용을 통해 부피, 무게, EMI(Electromagnetic Interface),
비용을 줄이고 전력 밀도를 높일 수 있다는 장점을 보인다[9-11]. 이를 위해 지금까지 LLC 공진형 컨버터에 적합한 일체형 고주파 변압기의 구조의 제안 및 이에 대한 해석, 설계에 대한 다양한 연구 결과가 제시되어
왔다[12-19].
그림 1. EV 충전 시스템 구조도
Fig. 1. Structure diagram of EV charging system
참고논문 [12]는 All Primary Referred (APR) 모델을 기반으로, 1, 2차 권선이 완벽히 분리된 변압기 구조에서 코어의 기하하적 Dimension
정보를 이용하여 누설 인덕턴스를 해석하는 기법을 제안하였다. 제안한 방법은 해석이 간단하고 용이하다는 장점을 가지나, 근사화된 코어의 기하학적 Dimension
정보를 적용하고 2차 측 누설 인덕턴스를 고려하지 않고 있어, 누설 인덕턴스 해석의 정확성이 떨어지는 단점을 보인다. 참고논문 [13-14]에서는 코어의 기하학적 Dimension 정보뿐만 아니라 권선 정보를 함께 고려함으로써 보다 정확한 누설 인덕턴스 해석을 달성하였다. 그러나 제시된
논문의 변압기 구조 모두 1, 2차 측 권선을 완벽히 분리시킨 구조로 인해 누설 인덕턴스를 특정 값 이하로 조정하기 어려운 한계를 지닌다. 참고논문
[15-16]는 변압기 내부에 PCB 절연체, Magnetics Shunt 등의 장치를 추가하여 장치의 개수 및 두께에 따라 발생하는 누설 인덕턴스를 정밀하게
조정한다. 그러나 장치가 추가됨에 따라 변압기의 크기 및 비용이 증가한다. 참고논문 [17]는 누설 인덕턴스를 조정하기 위해 1, 2차 측 권선을 부분적으로 겹친 변압기 구조를 제안한다. 그러나 제안한 변압기의 복잡한 권선 구조로 인해 절연
및 제작이 어려운 단점을 가진다. 참고논문 [18]는 코어의 양쪽 Leg에 PCB 권선을 비대칭으로 Interleave 시켜 누설 인덕턴스를 조정한다. 그러나 권선을 Interleave 함에 따라,
복잡한 권선 구조로 인해 대전류 컨버터에 적합한 Litz-wire 기반의 변압기에는 적용하기 어려운 한계를 지닌다. 참고논문 [19]는 코어의 중앙 Leg뿐만 아니라 양쪽 Leg에 독립된 Litz-wire를 배치하여, Litz-wire의 개수 및 공극의 길이에 따라 누설 인덕턴스를
조정한다. 그러나 독립된 Litz-wire를 배치함에 따라 Size가 증가하고 추가적인 절연이요구되는 단점이 있다.
이와 같이 지금까지 제시된 일체형 변압기 구조는 누설 인덕턴스를 조정하기 위해, 장치를 추가하거나 복잡한 변압기 구조를 요구하여 Litz-wire
기반의 변압기에 적용하기 어려운 한계점을 지닌다. 따라서 본 논문에서는 이와 같은 한계점을 극복하며 동시에 누설 인덕턴스를 정밀하게 조정할 수 있는
새로운 일체형 변압기의 구조와 이에 대한 설계 기법을 제시한다. 제안하는 변압기 구조는 스페이서를 통해 1, 2차 측 권선을 완벽히 분리시키고 부분
겹침 된 구간을 확보하여 누설 인덕턴스를 조정한다. 추가적인 장치나 권선을 요구하지 않기 때문에 크기 및 비용이 증가하지 않으며, 변압기의 자화 인덕턴스,
공극 등의 파라미터를 일정하게 유지할 수 있다.
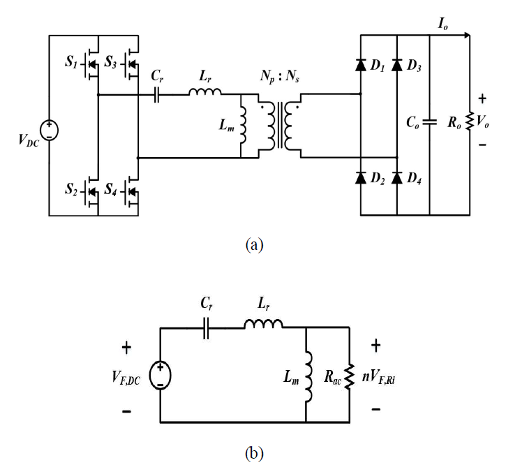
2. LLC 공진형 컨버터 구조 및 분석
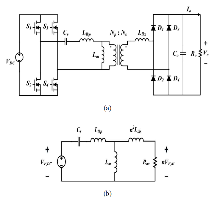
그림 2은 Full-bridge LLC 공진형 컨버터를 보여준다. 그림 2(a)에서 LLC 공진형 컨버터는 커패시터($C_{r}$)와 인덕터($L_{r}$), 그리고 변압기의 자화 인덕터($L_{m}$)로 이루어진 공진 네트워크를
포함한다. 이때 $V_{DC}$는 입력 전압, $S_{1}$-$S_{4}$는 Full-bridge 구조의 MOSFETs, $D_{1}$-$D_{4}$는
Full-bridge 구조의 Diode 정류기, $C_{o}$는 출력 커패시터, $R_{o}$는 출력 부하 그리고 $V_{o}$, $I_{o}$은
각각 출력 전압 및 전류를 나타내며, 변압기 권선 비는 $n$(=$N_{p}/N_{s}$)이다. 그림 2(b)는 First Harmonic Approximation (FHA)을 통해 유도한 LLC 공진형 컨버터의 등가회로 모델을 보여준다. 이는 출력 측에
공진 네트워크에 입력된 사각파 전압의 기본파 성분만이 전력 전달에 기여한다고 가정한다[20]. 그림 2(b)에서 1차 측 회로는 사인파 전류로 대체하여 식 (1)과 같이 나타낼 수 있으며, FHA에 의해 2차 측 다이오드 정류기에 걸리는 전압은 사각파 전압의 기본파 성분인 식 (2)로 나타낸다. 여기서$V_{F,\: DC}$는 LLC 공진형 컨버터 1차측 입력전압의 크기를 나타내며$V_{F,\: RI}$ 크기는 2차측의 부하단
전압의 기본파 성분을 나타내며 $R_{ac}$는 ac 등가 저항으로 1차측 기준으로 부하 저항 성분을 등가화 하였을 때 나타내는 값이다.
그림 2. 풀 브릿지 구조의 LLC 공진형 컨버터 (a) 구조도 (b) FHA 해석기반의 등가회로
Fig. 2. Full-bridge LLC resonant converter (a) Structure diagram (b) Equivalent circuit
based on FHA analysis
식 (1) 및 식 (2)를 통해 2차 측의 AC 등가 부하 저항을 구할 수 있으며, $n$에 의해 식 (3)과 같이 등가 부하 저항을 나타낼 수 있다.
LLC 공진형 컨버터는 FHA 등가회로 모델을 사용하여 입·출력 전압 및 2차 측 임피던스에 따라 컨버터의 전압 이득 곡선을 유도할 수 있다. 이때
전압 이득 곡선($M$)은 설계 시 결정된 공진 주파수를 기반으로 한 스위칭 주파수($f_{sw}$)에 따른 함수이다.
따라서
(1-3)과
그림 2(b)를 통해 유도한 $M$은 식
(4)과 같다.
여기서 $V_{F,\: DC}$는 입력 전압의 기본파 성분, $m$은 변압기의 자화 인덕턴스에 대한 공진 인덕턴스의 비, $Q$는 Quality Factor
그리고 $f_{nol}$은 정규화된 스위칭 주파수를 나타내며 이는 식 (5)와 같다.
정규화된 스위칭 주파수($f_{nol}$)에 대한 식에서 $f_{o}$는 설계 시 결정된 공진 주파수이며 또 다른 공진 주파수 $f_{p}$를 $f_{o}$에
관한 식으로 나타내면 식 (6)과 같다.
그러나 공진 네트워크의 인덕터를 변압기의 1차 측 누설 인덕터로 대체하는 일체형 고주파 변압기를 적용 할 경우, 설계 시에 2차 측 누설 인덕턴스가
변압기 권선 비에 의해 1차 측으로 변환되어 1차 측 인덕턴스 값이 증가한다. 이로 인해 컨버터의 전압 이득 곡선이 달라진다. 따라서 일체형 변압기
설계 시에 1차 측 누설 인덕턴스뿐만 아니라 2차 측 누설 인덕턴스를 고려하여 LLC 공진형 컨버터의 전압 이득 곡선을 유도해야 한다. 그림 2는 2차 측 누설 인덕턴스를 고려한 LLC 공진형 컨버터를 보여준다. 그림 3(a)에서 $L_{lkp}$는 변압기의 1차 측 누설 인덕턴스이며 $L_{lks}$는 2차 측 누설 인덕턴스이다. 그림 3(b)는 $L_{lks}$를 고려하여 나타낸 FHA 등가회로 모델이다. 변압기의 T형 등가회로를 통해 $L_{lks}$를 1차 측으로 변환하면, 공진
인덕턴스는 식 (7)와 같이 나타낼 수 있다.
그림 3. 2차측 누설 인덕턴스를 고려하는 풀 브릿지 구조의 LLC 공진형 컨버터 (a) 구조 (b) FHA기반 등가모델 회로
Fig. 3. Full-bridge LLC resonant converter considering secondary leakage inductance
(a) Structure (b) FHA-based equivalent model circuit
따라서 식 (7)와 그림 2(b)를 통해 유도한 전압 이득($M_{v}$)은 식 (8)과 같다.
여기서 $m_{v}$는 변압기의 자화 인덕턴스에 대한 1차 측 누설 인덕턴스의 비로 식 (9)과 같이 나타낸다.
3. 제안하는 고주파 일체형 변압기 분석
그림 4는 제안하는 일체형 고주파 변압기의 구조를 나타낸다. 제안하는 구조는 코어의 중앙 Leg에 1차 측 및 2차 측 권선이 완벽히 분리되어 배치된 외부
영역 $G_{p,\: o}$, $G_{s,\: o}$과 부분적으로 겹쳐진 내부 영역 $G_{i}$으로 구성되어 있다. 각각의 영역은 보빈의 스페이서를
통해 분리되어 있으며, 전류의 극성이 반대인 1차 측 및 2차 측 권선 비에 따라 해당 영역에 배치된다. 여기서 $d_{S}$는 $G_{p,\: o}$,
$G_{s,\: o}$ 사이의 거리이며 $d_{W}$ 및 $d_{H}$는 각각 코어 창면적의 가로 길이와 세로 길이다. 이때 $l_{g}$는 코어
사이의 공극 길이다.
그림 4. 제안하는 일체형 변압기의 구조
Fig. 4. Structure of the proposed integrated transformer
$G_{p,\: o}$, $G_{s,\: o}$ 사이의 거리이며 $d_{W}$ 및 $d_{H}$는 각각 코어 창면적의 가로 길이와 세로 길이다. 이때
$l_{g}$는 코어 사이의 공극 길이다. 그림 5는 그림 4의 제안하는 일체형 고주파 변압기 구조의 권선 배치에 따른 자기장 세기의 분포를 나타낸다. 이때, 코어 내부의 투자율은 상당히 크기 때문에 릴럭턴스
값이 0에 가까우며 이로 인해 코어에서 발생하는 자기장의 세기는 고려하지 않는 것을 가정한다[14]. 그림 5에서, 각 영역에 포함된 권선 수는
$N_{p,\: o}=16,\: N_{s,\: o}=16,\: N_{p,\: i}=8,\: N_{s,\: i}=8$
이다. $N_{p,\: o}$, $N_{s,\: o}$는 외부의 완벽히 분리된 영역에 포함된 1, 2차 측 권선의 수이며 $N_{p,\: i}$,
$N_{s,\: i}$는 내부의 부분 겹침된 영역에 포함된 1, 2차 측 권선의 수이다. 이때, 각 영역에 포함된 1, 2차 측 권선은 권선 비에
따라 배치된다. 각 권선에 흐르는 1, 2차 측 전류 $I_{p}$, $I_{s}$의 크기는 권선 비에 의해 정해지는 값으로 해당 값은 동일한 값을
가진다. 앙페르 법칙을 통해, 자기장 세기는 코어 창면적의 세로 길이인 x-축 방향에 따라 코어 창면적에 포함된 전류 및 권선 수에 비례함을 알 수
있다. 이때 그림 5의 영역은 x-축 방향에 따라 $G_{p,\: o}$, $G_{s,\: o}$ 영역과 $G_{i}$ 영역을 포함하여 총 다섯 개의
구간으로 나눌 수 있다.
• Interval ($s_{0}$→$s_{1}$) : 해당 구간에 포함된 1차 측 권선에 비례하여 자기장의 세기가 증가한다.
• Interval ($s_{1}$→$s_{2}$) : 해당 구간에 포함된 권선이 없고 절연되어 있으므로, 자기장의 세기는 유지된다.
그림 5. 고주파 변압기 구조의 권선 배치에 따른 자기장 세기의 분포
Fig. 5. Magnetic field intensity distribution according to winding arrangement in
high-frequency transformer structure
• Interval ($s_{2}$→$s_{3}$) : 1차 측 권선과 2차 측 권선이 변압기 비에 따라 인접하여 배치되어 있으므로, 자속 상쇄에
의해 자기장의 세기의 변화는 거의 없다.
• Interval ($s_{3}$→$s_{4}$) : 해당 구간에 포함된 권선이 없고 절연되어 있으므로, 자기장의 세기는 유지된다.
• Interval ($s_{4}$→$s_{5}$) : 해당 구간에 포함된 2차 측 권선에 비례하여 자기장의 세기가 0으로 감소한다.
앞선 다섯 개의 구간($s_{0}$→$s_{5}$)에서, 자기장의 세기는 Interval ($s_{1}$→$s_{4}$)에서 가장 크다. 즉, 세
개의 영역($G_{p,\: o}$, $G_{s,\: o}$, $G_{i}$)에 배치된 권선의 수가 동일할 때 $d_{S}$가 클수록 이에 비례하여
발생하는 누설 에너지가 크다. 그림 6은 세 개의 영역에 배치된 권선 수가 동일할 때, $d_{S}$ 길이가 다른 구조에 따른 자기장 세기의 분포를 나타낸다.그림 6(a)은 $d_{S}$=22mm일 때 변압기의 구조에 따른 자기장의 세기이다. 그림 6(a)에서, MMF는 x-축 방향에 따라 $N_{p}$에 비례하여 증가한다. 이후 1, 2차 자속 상쇄에 의해 거의 일정하게 유지되고 2차 측 권선이 포함되는
수에 따라 0에 가까워진다. 그림 6(b)은 $d_{S}$=28mm 일 때 변압기 구조에 따른 자기장의 세기이다. 그림 6(b)는 그림 6(a)보다 $d_{S}$의 값이 크기 때문에 자기장 세기가 큰 구간이 오래 유지된다. 따라서, 발생하는 누설 에너지가 크다. 그러므로, 세 개의 영역($G_{p,\:
o}$, $G_{s,\: o}$, $G_{i}$)별 거리와 영역에 포함된 권선 수($N_{p,\: o}$, $N_{s,\: o}$, $N_{p,\:
i}$, $N_{s,\: i}$)에 따라 발생하는 누설 에너지가 달라짐을 알 수 있다. 식 (10)은 누설 인덕턴스에 저장된 에너지($E$)를 나타낸다. 1, 2차 측 누설 인덕턴스에 저장된 에너지는 권선 비에 따라 해당 크기가 같다.
식 (10)의 누설 인덕턴스에 저장된 에너지는 식 (11)와 같이 자기장의 세기에 관한 식으로 정리할 수 있다.
그림 6. 권선구조 및 길이에 따른 자기장 세기의 분포 (a) $d_{S}=22mm$ (b) $d_{S}=28mm$
Fig. 6. Distribution of magnetic field intensity according to winding structure and
length (a) $d_{S}=22mm$ (b) $d_{S}=28mm$
여기서 $\mu_{0}$는 공기 중의 투자율, $A_{X}$는 코어에 감겨진 권선이 차지하는 단면적을 나타낸다.
이때, $A_{X}$는 그림 7을 통해 실제로 권선이 차지하는 단면적에 근사하여 식 (12)로 나타낼 수 있다. 여기서 $d_{l,\: h}$, $d_{l,\: v}$는 각각 코어 중앙 Leg의 가로 및 세로 길이, $l_{W}$는 감겨진
권선의 평균 길이(MLT)다.
식 (11)에서 자기장의 세기는 구간 별로 다르기 때문에 그림 5의 구간별 $E$의 크기는 (13-15)와 같다.
그림 7. 코어 유효 단면적
Fig. 7. Effective cross-sectional area of the core
• Interval ($s_{0}$→$s_{1}$) :
• Interval ($s_{1}$→$s_{4}$) :
• Interval ($s_{4}$→$s_{5}$) :
(12-14)를 통해, $E$의 총합은 식 (16)로 나타낼 수 있다.
식 (16)에서 설계한 $L_{lkp}$에 관한 식으로 정리하면 식 (17)와 같다.
식 (17)에서 $d_{S}$에 관한 식으로 정리하면 식 (18)와 같다.
식 (18)에서 $d_{S}$는 구현하고자 하는 $L_{lkp}$와 선정한 코어 및 권선에 따른 기하학적 수치에 의해 도출된다. 즉, 변압기의 기하하적 수치를
통해 누설 인덕턴스의 설계값을 갖는 일체형 변압기 구조를 용이하게 도출할 수 있다.
4. 제안하는 고주파 변압기 설계 방법
4.1 제안하는 방법의 절차
이번 장에서는 3장에서 분석한 수식을 기반으로 제안하는 일체형 고주파 변압기 구조에 관한 구체적인 설계 절차를 제안한다. 그림 8은 제안하는 일체형 고주파 변압기의 누설 인덕턴스($L_{lk}$)를 구현하기 위한 Flowchart이다. 제안하는 Flowchart는 총 7단계로
구성되며 변압기의 효율 및 전력 밀도뿐만 아니라 자속 포화 및 온도 포화 등 신뢰성과 관련된 요소를 고려한다. 또한, $L_{m}$를 구현하기 위한
설계 절차를 포함한다.
그림 8. 제안하는 일체형 변압기 설계 방법
Fig. 8. Design methodology for the proposed integrated transformer
• Step 1 : $B_{\max}$, $J_{\max}$, $K_{u}$ 등의 초기 파라미터를 결정한다. 여기서, $B_{\max}$, $J_{\max}$는
각각 변압기의 최대 자속 밀도이며, $K_{u}$는 창 이용 계수이다. 식 (19)은 코어의 단면적 크기($A_{c}$)를 나타내며, 식 (18)은 Steinmetz equation을 통해 나타낸 변압기의 코어 손실($P_{Core}$)이다.
여기서, $I_{1,\: \max}$는 변압기 1차 측에 흐르는 전류의 피크값, $B$는 사용하는 자속 밀도의 평균값 그리고 $k$, $\alpha$,
$\beta$ 등의 지수는 사용하는 코어의 data sheet와 curve-fitting을 통해 유도할 수 있다. 식 (19)을 통해, $A_{c}$는 $B_{\max}$에 반비례하는 것을 알 수 있다. 따라서 동일한 $L_{m}$을 가질 때, $B_{\max}$의 값이
클수록 요구되는 $A_{c}$, $N_{p}$의 크기가 작기 때문에 전력 밀도는 높아진다. 그러나 식 (20)을 통해, $B_{\max}$의 값이 클수록 $B$의 크기가 커지기 때문에 $P_{Core}$로 인해 효율은 감소한다.
식 (21)은 권선의 단면적 크기($A_{W}$)를 나타내며, 식 (22)는 Steinmetz equation을 통해 나타낸 사용하는 권선의 손실($P_{wire}$)이다.
여기서, $I_{rms}$는 권선에 흐르는 전류의 실효값 그리고 $R_{p,\: w}$, $R_{s,\: w}$는 각각 1차 측 및 2차 측 권선의
저항값이다. 식 (21)을 통해, $A_{W}$는 $J_{\max}$에 반비례하는 것을 알 수 있다. 따라서 동일한 $I_{{rms}}$가 흐를 때, $J_{\max}$의
값이 클수록 요구되는 $A_{c}$, $N_{p}$의 크기가 작기 때문에 전력 밀도는 높아진다. 그러나 식 (22)를 통해, $J_{\max}$의 값이 클수록 $R_{w}$의 크기가 커지기 때문에 $P_{wire}$로 인해 효율은 감소한다.
(19-22)를 통해, 초기 파라미터는 변압기의 효율, 전력 밀도, 신뢰성을 결정함을 알 수 있다[17]. 따라서 설계자는 고려사항들의 가중치에 따라 초기 파라미터를 결정해야 한다.
• Step 2 : 사용할 코어와 권선을 선정한다. Step 1에서 결정한 $J_{\max}$를 식 (21)에 반영하면, 필요한 권선의 단면적($A_{W}$)이 유도된다. 이를 통해, $A_{W}$보다 같거나 큰 단면적을 갖는 권선을 선정한다. 식 (23)는 권선에서 전류가 흐를 수 있는 침투깊이($\delta$)를 나타낸다.
여기서 $\sigma$는 도선의 재질에 따른 도전율을 나타낸다. 고주파 구동에 사용되는 권선의 경우, 침투깊이가 작기 때문에 표피효과에 따른 영향을
많이 받는다. 따라서 표피효과를 고려할 때, 권선의 1가닥의 직경은 $2\delta$의 길이보다 작아야 한다[18]. 그러므로 권선 선정 시에 필요한 단면적뿐만 아니라 표피효과 조건을 만족하는 권선을 선정해야 한다. 식 (24)은 코어의 창면적의 크기($W_{A}$)를 나타낸다. 이는 선정한 권선이 실제 코어에 감겨질 때 차지하는 면적의 값보다 커야한다. 여기서, $A_{p,\:
w}$, $A_{s,\: w}$는 각각 선정한 1차 측 및 2차 측 권선의 단면적이다. 식 (25)은 식 (19), (21)을 통해 유도한 실제 코어를 선정할 때 필요로 하는 코어의 크기($W_{C}$)를 나타내는 지표이다.
따라서 선정한 코어는 식 (24)의 값보다 크고 식 (25)에 유도된 값보다 큰 값을 가져야 한다.
• Step 3 : $N_{p}$, $N_{s}$, $N_{p,\: o}$의 값을 도출한다. 앞선 Step 1-2를 통해, 최종적으로 선정한 코어에
따라 설계된 $L_{m}$를 구현하는데 필요한 1차 측 및 2차 측의 권선의 수가 정해진다. 정해진 $N_{p}$, $N_{s}$ 중에서 설계된 $L_{lk}$를
구현하기 위해, 1차 측 권선이 완벽히 분리된 영역($G_{p,\: o}$)으로 분리시킬 $N_{p,\: o}$의 값을 결정한다. 이때 $N_{p,\:
o}$의 초기값은 1이다. $N_{s,\: o}$($N_{p,\: o}/n$)는 결정된 $N_{p,\: o}$와 $n$에 따라 도출된다.
• Step 4 : 필요한 $d_{S}$의 값을 도출한다.
Step 1-3에서 정해진 파라미터 값과 식 (19)를 통해, 설계된 $L_{lk}$를 구현하기 위해 필요한 $d_{S}$의 값을 도출할 수 있다.
• Step 5 : $d_{S}$의 값을 확인한다.
Step 4를 통해 도출한 $d_{S}$가 양의 값을 갖는지 조건을 확인하는 단계이다. 이때 $d_{S}$가 음(-)의 값을 갖는 경우($d_{S}<0$),
외부로 분리시키는 $N_{p,\: o}$에 의해서 발생하는 누설 인덕턴스의 값이 설계된 $L_{lk}$의 값보다 크다는 것을 의미한다. 이는 앞서
선정한 조건에서 일체형 변압기를 제작하지 못하는 경우에 해당된다. 즉, 선정한 코어의 부피가 커서 분리시킨 권선에 의해 발생하는 누설 에너지가 크다.
이러한 경우 Step 2로 돌아가 기존보다 작은 부피의 코어를 선정하고 조건을 만족시키기 위해 Step 2-6를 반복한다.
• Step 6 : 구체화 조건을 만족하는지 확인한다.
앞선 절차로부터 정해진 변압기의 구조가 실제 제작이 가능한지 확인하는 단계이다.
그림 9은 설계된 $L_{lk}$ 값을 가지며 제안하는 일체압기를 제작하기 위해 필요한 구체화 조건을 나타낸 그림이다.
• 조건 1 : 도출한 $d_{S}$의 길이가 코어 창면적의 세로 길이($d_{H}$)보다 작아야 한다. $d_{S}$의 값이 더 클 경우, 제작이
불가능하며 Step 4로 돌아간다. 이때, 기존에 $G_{p,\: o}$ 영역으로 분리시키는 권선 수를 증가시킨다.
• 조건 2 : $d_{S}$를 도출함으로써 확보된 $G_{i}$ 영역의 넓이($W_{Gi}$)가 영역 안에 포함된 권선이 차지하는 유효 면적 ($W_{e,\:
i}$)의 크기보다 커야 한다. 식 (26)는 $G_{i}$ 영역에 포함된 권선이 차지하는 유효 면적($W_{e,\: i}$)을 나타낸다.
그림 9. 제안하는 일체형 변압기 제작을 위한 설계조건
Fig. 9. Design conditions for manufacturing the proposed integrated transformer
$W_{e,\: i}$의 값이 더 클 경우, 제작이 불가능하며 Step 4로 돌아간다. 이때, 기존에 $G_{p,\: o}$ 영역으로 분리시키는 권선
수를 증가시킨다.
• 조건 3 : $d_{S}$를 도출함으로써 확보된 $G_{p,\: o}$ 영역의 넓이($W_{Go}$)가 영역 안에 포함된 권선이 차지하는 유효
면적 ($W_{e,\: o}$)의 크기보다 커야 한다. 식 (27)은 $G_{p,\: o}$ 영역에 포함된 권선이 차지하는 유효 면적을 나타낸다.
$W_{e,\: o}$의 값이 더 클 경우, 제작이 불가능하며 Step 4로 돌아간다. 이때, 기존에 $G_{p,\: o}$ 영역으로 분리시키는 권선
수를 증가시킨다. 앞서 제시한 3가지의 구체화 조건을 만족할 경우, 제안하는 일체형 고주파 변압기의 설계를 종료한다.
4.2 설계 절차에 따른 실적용
이번 장에서는 4.1장의 설계 절차를 적용하여, 제안한 일체형 고주파 변압기를 설계하는 실시 예를 보여준다.
설계 절차를 적용하기 앞서 아래에 필요한 입력 데이터를 수집해야 한다.
여기서 $L_{m}$=105μH, $L_{lkp}$=12μH, $L_{lks}$=3.78μH는 공진 네트워크를 형성하는 일체형 고주파 변압기의 인덕턴스,
$I_{p,\: \max}$=28A, $I_{s,\: \max}$=34A는 자속 포화를 막기 위해 코어 선정에 필요한 파라미터이며 $I_{p,\:
{rms}}$=20A, $I_{s,\: {rms}}$=23A는 권선의 발열을 고려하기 위해 권선 선정에 필요한 파라미터이다.
• Step 1 : $B_{\max}$, $J_{\max}$, $K_{u}$ 등의 초기 파라미터를 결정한다. 전력변환 장치의 변압기에 사용되는 PM
및 BM 시리즈 페라이트 코어의 포화 자속 밀도($B_{sat}$)의 범위는 480-560mT이다. 자속 포화뿐만 아니라 변압기의 온도 포화를 고려했을
때, $B_{\max}$를 $B_{sat}$ 크기의 대략 20% 수준인 105mT로 결정한다. 권선의 발열은 변압기의 온도 포화를 달성하는데 치명적인
방해 요소이다. 따라서 변압기의 발열 측면을 고려했을 때, $J_{\max}$를 2.5A/mm2 이하의 값으로 결정한다. 변압기를 제작할 때, 코어의 종류는 권선을 감는데 영향을 준다. 예를 들어, 코어의 Leg가 원형인 EQ코어에 비해 사각형인
EE코어는 권선을 감을 때 텐션이 상당하다. 따라서 EQ코어를 사용할 경우에 $K_{u}$=0.5, EE코어를 사용할 경우에 $K_{u}$=0.4으로
결정한다.
• Step 2 : 사용할 코어와 권선을 선정한다. 식 (21)을 통해, 요구된 $A_{W}$의 1차 측 및 2차 측 단면적은 각각 $A_{p,\: w}$=8mm2, $A_{s,\: w}$=9.2mm2이다. 이때, 구리 재질의 도선의 경우 침투깊이는 $\delta$=0.237mm이다. 따라서, 요구된 단면적보다 큰 값을 가지며, 표피효과를 고려하여
1, 2차 측 모두 0.12mm/825 (9.3sq)의 Litz-wire를 선정한다.식 (27)에서 필요한 코어의 크기를 나타낸 지표의 값은 $W_{C}=136cm^{4}$이다. 따라서 요구된 크기보다 크며 $l_{g}$를 고려하여, PM7-8075C의
EE코어 3set를 사용한다.
표 1 변압기 사양
Table 1 Specifications of Transformer
|
Parameter
|
Maximum magnetic flux density ( $B_{\max}$)
|
|
270(mT)
|
200(mT)
|
150(mT)
|
105(mT)
|
|
Core
|
PM12-
EQ7264
|
PM7-
EE8075C
|
PM5-
EE7066Cx2
|
PM7-
EE8075Cx3
|
|
$L_{m}$
|
104.89μH
|
105.74μH
|
104.95μH
|
104.93μH
|
|
$L_{lkp}$
|
5.08μH
|
4.46μH
|
4.02μH
|
4.7μH
|
|
$L_{lks}$
|
1.7μH
|
1.6μH
|
1.46μH
|
1.6μH
|
|
$N_{p}$ / $N_{s}$
|
14 / 9
|
19 / 12
|
12 / 7
|
12 / 7
|
• Step 3 : $N_{p}$, $N_{s}$의 값을 도출한다.
Step 2의 권선 및 코어 선정을 통해 설계된 $L_{m}$을 구현하는데 필요한 $N_{p}$=12, $N_{s}$=7 값을 도출할 수 있다. 이후
$L_{lk}$을 구현하기 위한 $N_{p,\: o}$의 값을 정하고 이때 설계조건을 만족하는 구조를 도출한다.
• Step 4-6 : $N_{p,\: o}$의 값에 따라 도출된 구조가 Step 6의 구체화 조건 1, 3을 만족하지 못할 경우, Step 4-6의
과정을 반복한다. 이후 만족하는 값($N_{p,\: o}$=5일 때)에서 구체화 조건의 만족 여부를 확인하고 제안하는 일체형 고주파 변압기의 최적
구조를 확정한다. 그림 10, 11은 제안하는 일체형 고주파 변압기의 설계 Flowchart에 따른 Design data1 및 Design data2의 (a) 2D FEA 시뮬레이션
모델, (b) 시뮬레이션 결과 그리고 (c) MMF 그래프를 보여준다. 이때, 각각의 Design data는 동일한 크기의 $L_{lk}$을 구현한다.
그러나 $G_{p,\: o}$, $G_{s,\: o}$ 영역으로 분리시킨 권선 수에 따라 일체형 변압기의 구조가 다르다. Design data1은
$N_{p,\: o}$=5인 경우, Design data2는 $N_{p,\: o}$=6인 경우에 해당된다. FEA 시뮬레이션 결과 및 MMF의 그래프를
통해, Design data1의 MMF 피크값이 Design data 2보다 대략 1I 가량 더 큰 것을 확인할 수 있다. 즉, $G_{p,\: o}$,
$G_{s,\: o}$ 영역으로 분리된 권선 수가 많을수록 창면적에서 발생하는 자기장 세기의 피크값이 커짐을 알 수 있다. 따라서 변압기의 발열 측면을
고려했을 때, $G_{p,\: o}$, $G_{s,\: o}$ 영역으로 분리시킨 권선의 수가 적은 Design data1이 최적의 설계안이 된다.
그러므로, Step 4에서 $N_{p,\: o}$는 1부터 시작하여 최적 설계를 위한 절차를 진행한다.
그림 10. 첫 번째 디자인에 따른 FEM 결과 (a) 2D FEM 해석모델 (b) FEM 해석모델 결과 : 자계의 세기(c) MMF 크기
Fig. 10. FEM results according to the first design (a) 2D FEM analysis model (b) FEM
analysis model result: Magnetic field intensity (c) MMF magnitude
5. 성능 검증
그림 15는 크기가 다른 $B_{\max}$에 따라 사용한 코어의 종류 및 크기 그리고 권선 수를 보여준다. 그림 12에서 볼 수 있듯이, $B_{\max}$의 크기가 작을수록 변압기의 온도상승 폭은 줄어든다. $B_{\max}$가 270mT인 변압기의 경우11분
구동 시에 최고 온도가 110℃인 반면에 105mT인 변압기의 경우 60분 구동 시에 최고 온도가 85℃이다.
그림 11. 두 번째 디자인에 따른 FEM 결과 (a) 2D FEM 해석모델 (b) FEM 해석모델 결과 : 자계의 세기(c) MMF 크기
Fig. 11. FEM results according to the second design (a) 2D FEM analysis model (b)
FEM analysis model result: Magnetic field intensity (c) MMF magnitude
즉, $B_{\max}$의 크기를 작게 할수록 변압기의 전력 밀도는 증가하지만 사용하는 $B$가 줄어들기 때문에 $P_{Core}$이 작고 발열
측면에서 유리하다. 그러므로, 설계 절차 Step 1에서 $B_{\max}$는 변압기의 온도 포화를 고려하여 $B_{sat}$의 20% 수준으로 결정한다.
그림 13은 4장의 설계 기법을 통해 제작한 일체형 고주파 변압기를 보여준다.
그림에서 볼 수 있듯이, 제안한 일체형 고주파 변압기 보빈 검증을 위한 LLC 공진형 컨버터 설계사양을 통해 외부 영역 $G_{p,\: o}$, $G_{s,\:
o}$과 내부 영역 $G_{i}$으로 구성되어 있다. 표 2는 그림 13에서 보여준 일체형 변압기의 설계 데이터를 나타내며 표 3은 인덕턴스 설계값 및 측정값을 나타낸다. 이를 통해 누설 인덕턴스의 측정값이 설계값에 근사함을 확인할 수 있다. 제안한 일체형 고주파 변압기의 구조
및 설계 기법의 유효성을 검증하기 위해, 그림 14와 같이 10kW 97kHz에서 동작하는 LLC 공진형 컨버터 실험 환경을 구축하고 실험을 진행하였다.
그림 12. 변압기 최대자속밀도에 따른 온도 테스트 결과 값
Fig. 12. Temperature according to maximum flux density of transformer
그림 13. 제안하는 일체형 고주파 변압기 사진
Fig. 13. Proposed integrated high-frequency transformer
LLC 공진형 컨버터의 회로는 그림 2에 묘사하였다. Full-bridge 구조의 1차 측 스위치는 SiC-MOSFET(C3M0021120K), Full-bridge 구조의 2차 측 정류기는
SiC-DIODE(C4D20120H)를 사용하였다. 공진 네트워크는 제안한 일체형 고주파 변압기와 필름 커패시터(R76TI2100SE40J)를 사용하여
구성하였다. 그 외 실험 장비는 Tektronix 사의 오실로스코프, Controller는 TI 사의 DSP TMS320F28337D를 사용하였다.
LLC 공진형 컨버터의 시스템 파라미터는 표 4에 명시되어있다. 그림 15는 공진 주파수에서 동작하며 제안한 일체형 고주파 변압기를 적용한 LLC 공진형 컨버터의 실험 파형이다. 그림 15에서, 이Full-bridge 구조의 1차 측 스위치 전류는 스위치에 걸린 전압이 방전된 이후 스위치가 on되며 흐른다. 를 통해 스위치의 ZVS
turn-on 동작을 확인할 수 있다. 또한 공진 전류 파형이 사인파 형태에 가까운 일반적인 파형을 보인다.
표 2 제안하는 일체형 변압기 구체적인 사양
Table 2 Detailed specifications of the proposed integrated transformer
|
Parameter
|
Value
|
|
$B_{\max}$
|
105mT
|
|
$J_{\max}$
|
Primary
|
2.15A/mm2
|
|
Secondary
|
2.47A/mm2
|
|
Core
|
PM7-EE8075Cx3
|
|
$N$
|
$N_{p,\: o}$ / $N_{s,\: o}$
|
5 / 3
|
|
$N_{p,\: i}$ / $N_{s,\: i}$
|
7 / 4
|
표 3 제안하는 일체형 변압기의 인덕턴스
Table 3 Inductance parameters of the proposed integrated transformer
|
Parameter
|
Theoretical Value
|
Testing Value
|
|
$L_{m}$
|
105μH
|
105.17μH
|
|
$L_{lkp}$
|
12μH
|
13.06μH
|
|
$L_{lks}$
|
3.78μH
|
4.15μH
|
그림 14. 제안하는 일체형 변압기 기반의 10kW급 LLC 공진형 컨버터
Fig. 14. 10kW LLC resonant converter based on the proposed integrated transformer
표 4 실험환경 조건
Table 4 Experimental setup parameters
|
Parameter
|
Value
|
|
Input voltage $V_{DC}$
|
800V
|
|
Output voltage $V_{o}$
|
500V
|
|
Output power$P_{o}$
|
10kW
|
|
Transformer ratio$n$
|
1.7:1
|
|
Resonant capacitor$C_{r}$
|
120nF
|
|
Switching frequency $f_{sw}$
|
97kHz
|
그림 15. 공진점에서 LLC 공진형 컨버터 전압 전류 파형 (a) $V_{gs}$, $V_{ds}$ 및 $I_{r}$ (b) $V_{o}$, $I_{o}$
Fig. 15. Voltage and current waveforms of LLC resonant converter at resonant point
(a) $V_{gs}$, $V_{ds}$ 및 $I_{r}$ (b) $V_{o}$, $I_{o}$
그림 15(b)의 결과는 2차 측 부하단의 $V_{o}$과 $I_{o}$ 파형을 통해 표 4에서 제시한 시스템 파라미터와 동일함을 보여준다. 실험 결과들을 통해, 제안한 일체형 고주파 변압기는 발열 측면을 고려한 설계 기법을 적용하여 설계값에
근사한 인덕턴스를 가지며 LLC 공진형 컨버터에서 정상 동작함을 확인하였다.
6. 결 론
본 논문에서는 누설 인덕턴스를 조정하기 위한 일체형 고주파 변압기의 새로운 구조를 제안한다. 제안한 일체형 변압기는 1, 2차 측 권선이 완벽히 분리된
구간과 부분 겹쳐진 구간을 확보하여, 구간 사이의 거리와 내부의 권선 수에 따라 누설 인덕턴스를 조정한다. 이를 통해, 추가적인 장치와 복잡한 권선
구조를 요구하지 않기 때문에 권선형 기반의 변압기에도 적합하다. 또한 제안한 일체형 고주파 변압기를 제작하기 위한 이론 기반의 최적 설계 기법을 제시한다.
제시한 기법은 FEA 시뮬레이션 결과와 최대 자속 밀도에 따른 변압기 실험 결과를 바탕으로 효율, 전력 밀도뿐만 아니라 자속 포화, 온도 포화 등의
신뢰성을 고려하여 총 7단계의 구체적인 설계 절차를 다룬다. 마지막으로 제안한 일체형 고주파 변압기를 10kW LLC 공진형 컨버터에 적용하여 실험을
진행하였다. LLC 공진형 컨버터는 공진 주파수에서 정상 동작을 하였으며, 이를 통해 제안한 일체형 변압기의 구조 및 설계 기법에 대한 유효성을 검증하였다.
Acknowledgements
본 논문은 2024년도 정부(산업통상자원부)의 재원으로 한국에너지기술평가원의 지원을 받아 수행한 연구임. (RS-2020-KP002219, 로봇 기반
전기자동차 급속 자동 충전시스템 개발 및 실증)
본 논문은 2025년도 정부(산업통상자원부)의 재원으로 한국에너지기술평가원의 지원을 받아 수행한 연구임. (RS-2022-KP002755, 운전자
맞춤형 스마트 충전서비스 및 고효율 충전시스템 개발 및 실증)
References
Ehsani, M., Gao, Y. & Emadi, A., Modern Electric, Hybrid Electric, and Fuel Cell Vehicles:
Fundamentals, Theory, and Design, Second Edition (2nd ed.). CRC Press., 2010. https://doi.org/10.1201/9781420054002

Y. Liu, H. Wu, S. Ni, Y. Song and F. Yang, “Lower-Height-Oriented Magnetic Integration
Design for Onboard Power Converter of Electric Vehicles,” in IEEE Transactions on
Transportation Electrification, vol. 10, no. 1, pp. 163-173, March 2024. DOI:10.1109/TTE.2023.3259148

Sang Min Park, Young-Su Noh, Byoung Jo Hyon & Jin-Hong Kim, “Design and Implementation
of 210kW Boost Converter for SiC-based Fuel Cell Electric Vehicle,” KIEE, pp. 76~77,
2022.

Puyang Cheng, Gyung-Seok Han, Hee-Jun Kim, “A 3kW Bidirectional DC-DC Converter for
Electric Vehicles,” KIEE, pp. 209~212, 2015.

Bo Yang, F. C. Lee, A. J. Zhang and Guisong Huang, “LLC resonant converter for front
end DC/DC conversion,” APEC. Seventeenth Annual IEEE Applied Power Electronics Conference
and Exposition (Cat. No.02CH37335), Dallas, TX, USA, vol. 2, pp. 1108-1112, 2002.
DOI:10.1109/APEC.2002.989382

İ. Demirel and B. Erkmen, “A Very Low-Profile Dual Output LLC Resonant Converter for
LCD/LED TV Applications,” in IEEE Transactions on Power Electronics, vol. 29, no.
7, pp. 3514-3524, July 2014. DOI:10.1109/TPEL.2013.2278715

J. Deng, C. C. Mi, R. Ma and S. Li, “Design of LLC Resonant Converters Based on Operation-Mode
Analysis for Level Two PHEV Battery Chargers,” in IEEE/ASME Transactions on Mechatronics,
vol. 20, no. 4, pp. 1595-1606, Aug. 2015. DOI:10.1109/TMECH.2014.2349791

Y. Li, S. Shao, H. Chen, J. Zhang and K. Sheng, “High-gain high-efficiency IPOS LLC
converter with coupled transformer and current sharing capability,” in CPSS Transactions
on Power Electronics and Applications, vol. 5, no. 1, pp. 63-73, March 2020. DOI:10.24295/CPSSTPEA.2020.00006

S. Bolte, F. Schafmeister and J. Böcker, “Bidirectional Resonant Converter with Integrated
Magnetics for On-Board Chargers,” 2019 IEEE 28th International Symposium on Industrial
Electronics (ISIE), Vancouver, BC, Canada, pp. 770-774, 2019. DOI:10.1109/ISIE.2019.8781295

S. Gao and H. Wang, “A New Approach Integrated Magnetics Double-Frequency DC/DC Converter,”
in IEEE Access, vol. 8, pp. 148301-148314, 2020. DOI:10.1109/ACCESS.2020.3013897

Y. Liu, H. Wu, Y. Tai, J. Zou and Y. Jia, “Optimal design of GaN and PCB-winding Based
Transformer- Inductor-Integrated Magnetics for CLL resonant converter,” 2020 IEEE
Energy Conversion Congress and Exposition (ECCE), Detroit, MI, USA, pp. 5430-5435,
2020. DOI:10.1109/ECCE44975.2020.9235917

S. De Simone, C. Adragna and C. Spini, “Design guideline for magnetic integration
in LLC resonant converters,” 2008 International Symposium on Power Electronics, Electrical
Drives, Automation and Motion, Ischia, Italy, pp. 950-957, 2008. DOI:10.1109/SPEEDHAM.2008.4581225

J. -H. Jung, “Bifilar Winding of a Center-Tapped Transformer Including Integrated
Resonant Inductance for LLC Resonant Converters,” in IEEE Transactions on Power Electronics,
vol. 28, no. 2, pp. 615-620, Feb. 2013. DOI:10.1109/TPEL.2012.2213097

W. G. Hurley and D. J. Wilcox, “Calculation of leakage inductance in transformer windings,”
in IEEE Transactions on Power Electronics, vol. 9, no. 1, pp. 121-126, Jan. 1994.
DOI:10.1109/63.285502

J. Zhang, Z. Ouyang, M. C. Duffy, M. A. E. Andersen and W. G. Hurley, “Leakage Inductance
Calculation for Planar Transformers With a Magnetic Shunt,” in IEEE Transactions on
Industry Applications, vol. 50, no. 6, pp. 4107-4112, Nov.-Dec. 2014. DOI:10.1109/TIA.2014.2322140

S. A. Ansari, J. N. Davidson and M. P. Foster, “Analysis, Design and Modelling of
Two Fully-Integrated Transformers with Segmental Magnetic Shunt for LLC Resonant Converters,”
IECON 2020 The 46th Annual Conference of the IEEE Industrial Electronics Society,
Singapore, pp. 1273-1278, 2020. DOI:10.1109/IECON43393.2020.9254721

Jason E. Cuadra, John R. Estabrooks, Raymond K. Orr, “Energy transfer assembly with
tuned leakage inductance and common mode noise compensation,” U.S. 9,330,837 B2, May
3, 2016.

B. Li, Q. Li and F. C. Lee, “High-Frequency PCB Winding Transformer With Integrated
Inductors for a Bi-Directional Resonant Converter,” in IEEE Transactions on Power
Electronics, vol. 34, no. 7, pp. 6123-6135, July 2019. DOI:10.1109/TPEL.2018.2874806

S. Gao and Z. Zhao, “Magnetic Integrated LLC Resonant Converter Based on Independent
Inductance Winding,” in IEEE Access, vol. 9, pp. 660-672, 2021. DOI:10.1109/ACCESS.2020.3046616

Jee-Hoon Jung, Jong-Moon Choi, Joong-Gi Kwon, “Design Methodology for Transformers
Including Integrated and Center-tapped Structures for LLC Resonant Converters,” Journal
of Power Electronics, vol. 9, pp. 215-223, March 2009.

Daniyal Ahmed, Li Wang, “Optimal peak flux density model (OPFDM) for non-iterative
design of high-frequency gapped transformer (HFGT) in LLC resonant converters,” 2019
IET Power Electronics, vol. 9, Issue 5, pp. 942–952, 08 April 2020.

Jabłoński, Paweł, Dariusz Kusiak and Tomasz Szczegielniak, “Analytical-Numerical Approach
to the Skin and Proximity Effect in Lines with Round Parallel Wires,” Energies 13,
no. 24: 6716, 2020.

저자소개
He received the B.S. and Ph.D degrees in electrical engineering from Hanyang University,
Seoul, South Korea, in 2020 and 2025, respectively. He has been working as a post-doctoral
researcher at the Department of Energy and Electrical Engineering, Hanyang University,
Korea. His research interests include the design of high-density, high-efficiency
power converters, and the control of distributed power converter system, renewable
energy, microgrids, HVDC, STATCOM, FACTS system.
He received the B.S. degree in electronic physics from Dankook University, Cheonan,
South Korea, in 2016. He is currently working toward the M.S. degree in electrical
engineering with the Energy Power Electronics Control System Laboratory, Hanyang University,
Seoul, South Korea.,His research interests include the protection and application
of wide-bandgap devices and inductive power transfer and the design of high-density,
high-efficiency power converters.
He received Ph.D. degrees in the Electrical Engineering from Chonnam National University,
GwangJu, South Korea, in 2012. From 2016 to 2022, He was Deputy General Manager with
the Futuer Technology Research Laboratory, KyungShin, Korea. He is currently a Principal
Researcher with the Smart Electrics Research Center, Korea Electronics Technology
Institute. His current research interests are in Mobility power conversion system
and high power EV Charger.
He received the B.S. and M.S. degrees in electrical engineering from Hanyang University,
Seoul, South Korea, in 1997 and 1999, respectively, and the Ph.D. degree from the
Virginia Polytechnic Institute and State University, Blacksburg, VA, USA, in 2009.
Since 2010, he has been with Hanyang University, where he is currently a Professor
with the Department of Electrical and Biomedical Engineering. His research interests
include the design of high-power density converters and the distributed control of
power converters for modular power converter systems in applications of renewable
energy, wireless power transfer, microgrids, and motor drives.