이성전
(Seong-Jeon Lee)
1iD
곽주식
(Joosik Kwak)
2
이규섭
(Gyu-Sub Lee)
†iD
-
(Dept. of Electrical and Computer Engineering, Seoul National University (SNU), Seoul,
Republic of Korea.)
-
(Korea Electric Power Corporation Research Institute, Republic of Korea.)
Copyright © The Korea Institute for Structural Maintenance and Inspection
Key words
Grid forming converter, Short circuit ratio, Stability analysis, Voltage sourced converter, X/R Ratio
1. 서 론
탄소 중립을 달성하기 위해 신재생 에너지 자원(RES)의 중요성이 점차 증가하면서, RES와 에너지 저장 시스템(ESS)을 포함한 분산 발전원(DG)의
수가 증가하게 되었다. 그러나 DG는 일반적으로 전력 시스템에 VSC를 통해 연계되며, 이는 기존 동기 발전원과는 다른 방식으로 작동한다. VSC는
일반적으로 그리드-팔로잉(GFL) 모드와 그리드-포밍(GFM) 모드로 작동할 수 있다[1]. GFL 인버터는 계통연계점(PCC)에서의 교류 전압을 합성하며, GFL 인버터를 제어하기 위해서는 PCC의 교류 전압을 측정하는 위상 추종 루프(PLL)가
필요하게 된다. 그러나 RES의 증가로 동기발전원의 비율이 감소하게 되고, 이로 인해 PLL의 위상 추종 능력이 감쇠하며 결과적으로 컨버터의 전압
출력에 불안정성이 생길 수 있다.
반면, GFM 인버터는 PLL을 사용하지 않고, 동기 발전원의 수가 적은 상황에서도 계통 주파수를 지원할 수 있다. 가상 동기 발전기(VSG) 제어를
통해 GFM 인버터는 전압 위상 추종 기능을 필요로 하지 않으며, 자체 전압 파형을 생성할 수 있다. 초기 GFM은 일정 전압 및 주파수(V-f)를
출력하도록 개발되었으나, GFM이 그리드에 통합됨에 따라 다른 전압원과의 전력 공유 운전이 요구되기 시작하였다. 이에 따라 일정 V-f 제어 방식은
동기 발전원간의 유효 전력을 분배 원리를 이용한 드룹 제어 방식을 활용하여 발전하게 되었다.
하지만 드룹 제어형 GFM은 계통에 관성에너지를 제공 할 수 없다는 한계점을 극복하기 위해 동요 방정식으로 정의되는 가상 동기 발전기 제어로 대체되었으며,
그 결과 컨버터의 제어기가 동기 발전원의 회전자의 운동 특성을 모방하여 가상의 관성 및 감쇠 모멘트를 구현할 수 있게 되었다. 그러나 GFL 인버터와는
달리, GFM 인버터는 시스템의 등가 임피던스가 작은 경우 전력 안정성 문제가 발생하는 것으로 보고되었다. 계통 임피던스가 작을수록 시스템이 안정해지며
보통 이러한 계통은 강건한 시스템으로 간주된다. 계통 강건성은 PCC에서의 단락 전력과 인버터 단자 측 정격 출력의 비율로 정의되는 SCR로 측정된다.
일반적으로 GFL 인버터의 경우 계통의 강건도가 증가함에 따라 운전이 안정해진다는 특성이 존재하고, GFM 인버터는 시스템의 SCR이 작을수록 더욱
안정적이게 되며, 이는 GFL 인버터와는 반대 특성을 가지게 된다[2,3]. SCR에 따른 인버터의 안정성 분석은 여러 선행 연구에서 제공되었으며, 예를 들어 [4]에서는 GFL 인버터의 SCR에 따른 전력 전달 능력을 조사하였다. 또한 [5]에서는 유사한 접근 방식이 GFM 인버터에 적용되었다. 그러나 [5]에 따르면 전력 전송 능력은 SCR뿐만 아니라 그리드 임피던스의 유도-저항 비율(X/R)과도 관련이 있다. 그러나 X/R 비율에 따른 GFM 인버터의
안정성 분석은 거의 연구되지 않았다.
본 논문에서는 SCR과 X/R 비율에 따른 GFM 인버터의 안정성을 동시에 분석하였다. 안정성을 조사하기 위해 SCR과 X/R 비율의 변화를 포함한
전자기 과도(EMT) 시뮬레이션을 수행하였으며, 시뮬레이션 결과 GFM 인버터는 SCR이 낮고 X/R 비율이 클수록 더 안정적이라는 결과를 확인하였다.
이러한 결과는 DG와 RES의 사용이 증가하는 전력 시스템의 설계 및 운영에 중요한 시사점을 제공한다.
2. 시스템 모델링
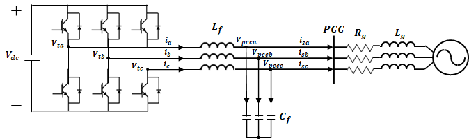
본 논문의 그림 1에서는 계통 연계형 인버터 등가 모델 구조를 나타내었다. GFM 컨버터의 분석을 간소화하기 위해 DC 입력 전압 측은 이상적인 전압원으로 등가하였고,
또한 다양한 조건에서의 계통 임피던스 영향을 분석하기 위해 계통 연계형 인버터로 설계되었으며, 독립운전 모드는 고려하지 않았다. 시뮬레이션 모드는
높은 스위칭 주파수와 잡음을 배제하기 위해 스위칭 모드 대신 평균화 등가구조 모드에서 VSC로 설계되었다.
Ia, Ib, Ic는 컨버터 단자에서의 순시 전류를 나타내고, Isa, Isb, Isc는 그리드 측에서의 순시 전류를 나타내며, Ica, Icb,
Icc는 커패시터 필터의 순시 전류를 나타낸다. Vdc는 DC 입력 전압을, Vta, Vtb, Vtc는 컨버터 단자에서의 순시 전압을, Vpcca,
Vpccb, Vpccc는 PCC에서의 순시 전압을 의미한다. 또한, Lf와 Cf는 컨버터 출력단측 필터를 나타내며, Rg와 Lg는 계통의 등가 임피던스를
의미한다.
그림 1. 계통 연계형 컨버터 구조
Fig. 1. System interconnection converter structure
2.1 SCR 계산
PCC에서의 SCR은 계통의 강건성을 나타내는 중요한 지표로, 계통과 GFM 컨버터 간에 전송 가능한 최대 전력을 결정하며 식 (1)을 통해 계산할 수 있다[9]. Ssc과 $S_{N}$은 각각 PCC측으로 전달되는 피상 전력, 인버터 출력에서의 정격 피상 전력을 의미하고, Vg는 계통에서 측정되는 rms
전압, Zg는 계통 임피던스를 의미한다. 또한, 계통 임피던스는 Rg와 Lg의 제곱 합의 제곱근으로 표현된다.
2.2 VSG 제어
최근 RES의 사용이 탄소 배출 감소와 지속 가능성 달성의 수단으로 주목받고 있으나, RES를 계통 시스템에 통합하는 과정에서 전력 계통의 관성 감소와
전력 흐름의 간헐성 같은 여러 문제가 발생하는 것이 보고되었다[10]. 이러한 문제는 계통 주파수의 불안정성을 초래할 수 있으며, 결과적으로 시스템의 전체 성능에 영향을 미칠 수 있다. 이러한 문제를 해결하기 위해
GFM 제어를 갖춘 VSC의 사용이 제안되었다. GFL 인버터와 달리 GFM 인버터는 PLL을 통한 동기화 과정을 거치지 않고 전압을 지원할 수 있으며,
또한 GFM 인버터는 VSG 제어를 사용하여 동기발전원의 회전자 운동 특성을 모방함으로써 가상의 관성 및 감쇠 모멘트를 제공할 수 있다. 이 제어
방식은 RES 및 부하 변동으로 인한 갑작스러운 계통 주파수 변동에 대응하는 인버터의 능력을 향상시키게 된다.
GFM 제어기는 계통 동기화를 고려한 전압 지령 신호를 전달하는 상위 제어기와 그 하위에 전압 제어 루프, 전류 제어 루프로 구성된다. 본 논문에서는
VSG 제어 방법을 상위 제어기로 채택하였으며, 그 구성으로 유효 전력-주파수(P-f) 제어기와 무효 전력-전압(Q-V) 제어기가 포함된다. P-f
제어기는 동기기의 회전자 운동 역학을 정의하는 동요 방정식으로 표현되며, Q-V 제어기는 여자기 역학 방정식으로 표현된다. 하위에 나타낸 식 (2)부터 (4)로 정의된 VSG 제어 루프는 급격한 시스템 외란에 대한 안정도를 높이기 위해 필요한 관성 및 감쇠 요소를 제공하여 급격한 전력 흐름 변화에
견딜 수 있도록 하는 데 중요한 역할을 한다[11].
여기서 J는 가상 관성 모멘트를, D는 마찰에 의한 기계적 감쇠를 의미하는 감쇠 계수를 나타낸다. Pref와 Qref는 인버터의 정격 전력이며,
Pe와 Qe는 인버터에서 계통으로 전달되는 전력을 의미한다. $\omega_{0}$는 그리드의 정격 주파수를 나타내고, Ku와 Kq는 Q-V
루프 제어 계수이다. $V_{N}$은 PCC rms 전압 기준값이며, $V_{0}$는 PCC의 정격 전압이다. 시스템 전압의 위상은 P-f 루프의
출력의 적분을 통해 형성되며, Q-V 루프의 전압 신호는 $v_{dref}$를 정의한다. 위의 식 (2)부터 (4)를 기반으로 한 제어 다이어그램은 그림 3에 나타나 있다.
그림 2. VSG 제어 구조
Fig. 2. VSG control structure
그림 3. GFM 컨버터 전체 제어 구조
Fig. 3. GFM Converter Overall Control Structure
2.3 GFM 전체 제어기 구조
앞서 언급한 바와 같이, GFM 제어기는 기본 제어기, 전압 루프, 그리고 전류 루프로 구성된다. VSG 제어기에 유효 전력 기준값과 측정된 유효
전력 간의 오차를 0으로 제어하기 위해 그림 4와 같이 계통으로 전달되는 전력값에 대한 계산 과정이 필요하다. 이 과정은 컨버터에서 계통로 전송되는 전력을 측정하고, abc 3상에 대한 dq 변환을
적용하여 각각 d-q 축별로 유효 전력과 무효 전력을 계산할 수 있게 해준다.
유효 전력과 무효 전력의 계산은 컨버터 출력 전압과 전류를 측정하고, 이를 파크 변환을 통해 d-q 축으로 변환함으로써 이루어진다. 유효 전력은 d축
전류와 d축 전압을 곱한 값과 q축 전류와 q축 전압을 곱한 값을 합하여 계산된다. 무효 전력은 d축 전류와 q축 전압을 곱한 값과 q축 전류와 d축
전압을 곱한 값을 합하여 계산된다. 이 전력 계산 과정은 식 (5)와 (6)에 설명되어 있으며, VSG 제어기에 입력으로 사용되는 유효 전력과 무효 전력의 계산 과정을 나타낸다.
각 측정값은 방해 요소와 고주파 고조파를 제거하기 위해 저역 통과 필터를 통과하며, 아래 식에서 $\omega_{c}$ 는 컷오프 주파수를 나타낸다.
이후 P-f 루프와 Q-V 루프를 거쳐 VSG 제어기에서 PCC측 전압(Vpcc)의 d-q 축에 대한 전압 지령값을 생성한다. 전압 루프의 제어
목적은 VSG 루프에서 생성된 PCC단에 합성돼야 할 d-q 축 지령값을 추종하는 것이다. 이를 위해 PI 제어기를 사용하여 인버터 출력 전압을 조정함으로써
PCC단 전압이 목적으로 하는 전압을 유지하도록 한다. 또한 전압 제어 루프는 전류 제어 루프의 외부 제어 루프로서, 전압 제어 루프의 출력은 전류
루프의 전류 지령값을 전달하게 된다.
전류 제어 루프는 전압 제어 루프 기준으로 내부 루프로 취급되며, 그 목적은 전압 루프에서 생성된 지령 전류를 추종하는 것이다. 이를 위해 또 다른
내부 PI 제어기를 사용하여 인버터 출력 전류를 조정함으로써 PCC에서 원하는 전류를 유지하도록 한다. 전류 루프의 출력은 컨버터 종단측의 d-q
축 전압으로, VSG 제어기를 통해 합성한 θ값에 기반한 역 dq 변환을 통해 Vta, Vtb, Vtc가 형성된다.
또한 전압과 전류의 d-q 축을 독립적으로 제어하기 위해 각 제어 루프에 디커플링(Decoupling) 요소가 적용되며, 이 성분은 d-q 축 제어를
효과적으로 분리하여 전압과 전류의 독립적인 조절을 가능하게 한다. 마지막으로, Kc 매개변수는 Ic 전류에 비례제어 계수로써 전압 변동으로 인한
LC 필터의 공진을 감쇠시키기 위한 가상 저항 계수로 컨버터 종단측 전압 형성 과정에 적용된다. Kc 계수는 계통 연계 시스템의 안정적이고 신뢰성
있는 동작을 보장하기 위한 필터측 공진 감쇠에 필수적인 요소로 활용된다[12].
앞서 설명한 GFM 전체 제어 구조는 다중 매개변수와 외부-내부 피드백 루프의 정밀한 제어가 필요한 복잡한 시스템으로, 계통 연계형 GFM 컨버터의
제어성능을 만족시키기 위해 내부 루프는 외부 루프의 대역폭보다 상대적으로 10배 이상의 높은 대역폭으로 동작해야 한다.
3. 모의 환경 설계 및 결과
3.1 시스템 매개변수 설정
SCR 변동에 따른 계통 연계형 GFM 컨버터의 안정도 분석을 위해 표 1에 제시된 매개변수를 기반으로 PSCAD/EMTDC 소프트웨어를 활용하여 모의를 수행하였다. 이러한 매개변수에는 P-f 및 Q-V 비례제어 계수,
그리고 전압 및 전류 제어 루프의 PI 제어기 계수가 함께 제시되었다. 인버터의 정격 출력은 15 kW로 설정되었으며, 계통 정격 전압 Vg는 선간
rms 값을 기준으로 설정되었다. X/R 비율과 SCR에 따른 계통 임피던스 변화와 함께 전력 전송 안정성을 분석하기 위해 계통 임피던스와 저항에
대한 결과는 표 2와 표 3에 나타내었다.
표 1 시스템 매개변수
Table 1 System parameters
|
계통 매개변수
|
|
선간 정격 전압, $V_{g}$
|
380 V
|
|
계통 정격 주파수, $f_{g}$
|
50 Hz
|
|
인버터 매개변수
|
|
DC 정격 전압, $V_{dc}$
|
700 V
|
|
필터측 인덕터, $L_{f}$
|
3 mH
|
|
필터측 캐패시터, $C_{f}$
|
20 μF
|
|
정격 출력, $P_{ref}$
|
15 kW
|
|
제어기 매개변수
|
|
전압 제어 루프 PI 계수 ($K_{pv}$,$K_{iv}$)
|
(0.5, 330)
|
|
전류 제어 루프 PI 계수 ($K_{pi}$,$K_{ii}$)
|
(10, 120)
|
|
가상 저항 계수
|
15
|
|
LPF 컷오프 주파수, $\omega_{c}$
|
100 rad/s
|
|
Q-V 루프 계수, Ku
|
1/15
|
|
통합 제어 계수, Kq
|
300
|
|
가상 관성 계수, J
|
0.2 kg/
|
|
가상 감쇠 계수, D
|
25
|
표 2 SCR 감소 모의 선로 구성
Table 2 SCR reduction simulation circuit configuration
|
SCR 감소 모의 조건
|
|
SCR
|
$R_{g}$(Ω)
|
$L_{g}$($m H$)
|
|
5.095
|
0.188
|
5.98
|
|
4.84
|
0.1979
|
6.299
|
|
4.4
|
0.2177
|
6.92
|
|
4.21
|
0.2275
|
7.24
|
|
4.03
|
0.2376
|
7.56
|
표 3 SCR 증가 모의 선로 구성
Table 3 SCR increase simulation circuit configuration
|
SCR 증가 모의 조건
|
|
SCR
|
$R_{g}$(Ω)
|
$L_{g}$($m H$)
|
|
4.7
|
0.2038
|
0.00648
|
|
4.9
|
0.1954
|
0.00622
|
|
5.1
|
0.1878
|
0.00597
|
|
5.3
|
0.1807
|
0.00575
|
|
5.5
|
0.174
|
0.00554
|
3.2 SCR 감소 모의 결과
계통의 SCR 변화가 시스템 안정성에 미치는 영향을 평가하기 위해 PSCAD/EMTDC 모의를 수행하였다. 모의 환경의 SCR을 5.095에서 4.03까지
시간에 따라 변화시키며, 지령값과 측정된 유효 전력, 지령값과 측정된 무효 전력, 그리고 주파수 파형을 측정하였고 모의 결과는 그림 4에 나타내었다. 모의가 진행되는 동안 유효 전력 지령값은 15 kW로 고정되었고, 무효 전력 지령값은 0 Var로 설정되었다. 계통 임피던스는 매
5초마다 계단식으로 증가하였으며, SCR 값이 감소함에 따라 유효 전력과 무효 전력 파형이 지령 신호를 따라가면서도 계통 임피던스 변화로 인해 오버슈팅이
발생하는 것이 관찰되었다. 모의 결과에 따르면, SCR 값이 낮아져 계통의 강건성이 감소할수록 유효 전력 변동이 줄어들고 시스템은 안정적인 동작 상태를
유지함을 확인할 수 있었다.
3.3 SCR 증가 모의 결과
반대로, SCR이 증가하는 상황에서의 유효전력 전달 안정성을 관찰하기 위해 유효 전력, 무효 전력, 그리고 주파수의 동특성을 SCR을 4.7에서 5.5로
증가시키며 모의를 수행하였으며, 이 결과는 그림 5에 나타내었다. 매 5초마다 SCR을 0.2씩 증가시켰으며, SCR이 불안정 임계값인 5.5에 도달하게 되면, 시스템은 안정성을 유지하지 못하고 불안정
상태로 진입하여 발산하게 된다. 이를 통해 계통이 더욱 강건해질수록 GFM 컨버터의 전력 전송 안정성이 감소하는 것을 확인할 수 있으며, 전압원으로
등가되는 GFM의 특성상, 임피던스가 감소하여 타 전압원과의 전기적 거리가 감소할수록 GFM의 독립적인 운전을 보장하기 어렵다는 것을 확인할 수 있다.
그림 4. SCR 감소 모의 결과
Fig. 4. SCR reduction simulation results
그림 5. SCR 증가 모의 결과
Fig. 5. SCR increase simulation results
3.4 X/R 변동 모의 결과
GFM 컨버터의 불안정성 임계점을 결정하기 위해, X/R 비율을 그림 6에 제시된 그래프의 x축 값으로 일정하게 유지한 채 SCR을 점진적으로 증가시키는 방식으로 모의를 수행하였다. 그림 6에 나타난 바와 같이, X/R 비율은 2에서 10으로 증가시켰고, 계통을 전달되는 유효 전력값을 측정하여 제어가 발산하는 지점을 기준으로 GFM 컨버터의
불안정성 임계점을 설정하였다. 모의 결과, X/R 비율이 작을수록 GFM 컨버터의 불안정성 SCR 임계점이 낮아지는 것이 관찰되었다. 이는 계통 임피던스의
저항 성분이 증가할수록 GFM 컨버터가 강건한 계통에서 안정성을 유지하기 어려워진다는 것을 의미한다. 또한, 전압원으로 등가되는 GFM의 특징으로
인해, 선로 구성에서 유도성 임피던스 성분이 감소할수록 타 전압원과의 독립적인 전압원으로서의 동작이 어려워짐을 나타낸다.
그림 6. X/R 증가 시 SCR 안정 임계점
Fig. 6. SCR stability threshold when X/R increases
4. 결 론
본 논문에서는 VSG 제어 방식이 적용된 GFM 컨버터의 전력 전달 안정성을 분석하였다. 연구 결과, GFM 컨버터의 전력 전송 안정성은 계통 측
SCR이 감소할수록 향상되며, SCR이 증가할수록 안정성이 저하되는 것으로 나타났다. 또한, X/R 비율이 증가할수록 GFM 컨버터의 불안정성 임계점이
높아지는 것도 확인되었다. 이는 낮은 SCR과 높은 X/R 비율이 GFM 컨버터를 계통에 연결하는 데 더 적합함을 의미한다.
향후 계통 임피던스 변동이 전력 전달 안정성에 미치는 영향을 추가적으로 분석하기 위해, GFM 컨버터에 대한 상태 공간모델 개발을 필요로 한다. 추후
강건한 계통에서 작동하는 계통 연계 GFM 컨버터의 시스템 안정도를 향상시키기 위한 연구를 상태공간 및 EMT 모델을 기반으로 수행 할 예정이다.
감사의 글
This research was supported by the Korea Electric Power Corporation (KEPCO) Research
Institute under the project “Development of GW-class Voltage Source DC Link Technology
for Enhancing Grid Hosting Capacity and Transmission Capability of Offshore Wind Power
in Shinan and the Southwest Region (R22TA12).”
In addition, this work (No. 20225500000110) was supported by the Korea Institute of
Energy Technology Evaluation and Planning (KETEP) with funding from the Ministry of
Trade, Industry and Energy (MOTIE) of the Republic of Korea. The authors would like
to express their sincere gratitude to the relevant ministries for their support.
References
J. Rocabert, A. Luna, F. Blaabjerg and P. Rodríguez, “Control of power converters
in AC microgrids,” IEEE Trans. Power Electron., vol. 27, no. 11, pp. 4734-4749, 2012.
DOI:10.1109/TPEL.2012.2199334

R. Rosso, X. Wang, M. Liserre, X. Lu and S. Engelken, “Grid-Forming Converters: Control
Approaches, Grid-Synchronization, and Future Trends—A Review,” in IEEE Open Journal
of Industry Applications, vol. 2, pp. 93-109, 2021. DOI:10.1109/OJIA.2021.3074028

Gao, Xian, et al., “A Comparative Study of Grid-Following and Grid-Forming Control
Schemes in Power Electronic-Based Power Systems,” Power Electronics and Drives, vol.
8, no. 1, Sciendo, pp. 1-20, 2023. DOI:https://doi.org/10.2478/pead-2023-0001

J. A. Suul, S. D’Arco, P. Rodríguez and M. Molinas, “Impedance-compensated grid synchronization
for extending the stability range of weak grids with voltage source converters,” IET
Gener. Transm. Distrib., vol. 10, no. 6, pp. 1315-1326, 2015. DOI:https://doi.org/10.1049/iet-gtd.2015.0879

L. Huang, C. Wu, D. Zhou and F. Blaabjerg, “A Simplified SISO Small-Signal Model for
Analyzing Instability Mechanism of Grid-Forming Inverter under Stronger Grid,” 2021
IEEE 22nd Workshop on Control and Modelling of Power Electronics (COMPEL), Cartagena,
Colombia, pp. 1-6, 2021. DOI:10.1109/COMPEL52922.2021.9646041

L. Huang, C. Wu, D. Zhou and F. Blaabjerg, “Grid Impedance Impact on the Maximum Power
Transfer Capability of Grid-Connected Inverter,” 2021 IEEE 12th Energy Conversion
Congress & Exposition - Asia (ECCE-Asia), Singapore, Singapore, pp. 1487-1490, 2021.
DOI:10.1109/ECCE-Asia49820.2021.9479080

H. Zhang, W. Xiang, W. Lin and J. Wen, “Grid forming converters in renewable energy
sources dominated power grid: Control strategy, stability, application, and challenges,”
J. Mod. Power Syst. Clean Energy, vol. 9, no. 6, 2021. DOI:10.35833/MPCE.2021.000257

Unruh, Peter, Maria Nuschke, Philipp Strauß and Friedrich Welck. 2020. “Overview on
Grid-Forming Inverter Control Methods,” Energies 13, no. 10, 2020. DOI:10.3390/en13102589

D. B. Rathnayake et al., “Grid Forming Inverter Modeling, Control, and Applications,”
in IEEE Access, vol. 9, pp. 114781-114807, 2021. DOI:10.1109/ACCESS.2021.3104617

Q.-C. Zhong and G. Weiss, “Synchronverters: Inverters that mimic synchronous generators,”
IEEE Trans. Ind. Electron., vol. 58, no. 4, pp. 1259-1267, 2011. DOI:10.1109/TIE.2010.2048839

F. Wang, L. Zhang, X. Feng and H. Guo, “An adaptive control strategy for virtual synchronous
generator,” IEEE Trans. Ind. Appl., vol. 54, no. 5, 2018. DOI:10.1109/TIA.2018.2859384

Y. Tao, Q. Liu, Y. Deng, X. Liu and X. He, “Analysis and Mitigation of Inverter Output
Impedance Impacts for Distributed Energy Resource Interface,” in IEEE Transactions
on Power Electronics, vol. 30, no. 7, pp. 3563-3576, July 2015. DOI:10.1109/TPEL.2014.2339849

Y. W. Li, “Control and Resonance Damping of Voltage-Source and Current-Source Converters
With LC Filters,” in IEEE Transactions on Industrial Electronics, vol. 56, no. 5,
pp. 1511-1521, May 2009. DOI:10.1109/TIE.2008.2009562

X. Gao, D. Zhou, A. Anvari-Moghaddam and F. Blaabjerg, “Stability Analysis of Grid-Following
and Grid-Forming Converters Based on State-Space Modelling,” in IEEE Transactions
on Industry Applications, vol. 60, no. 3, pp. 4910-4920, May-June 2024. DOI:10.1109/TIA.2024.3353158

L. Yu, H. Sun, S. Xu, B. Zhao and J. Zhang, “A Critical System Strength Evaluation
of a Power System with High Penetration of Renewable Energy Generations,” in CSEE
Journal of Power and Energy Systems, vol. 8, no. 3, pp. 710-720, May 2022. DOI:10.17775/CSEEJPES.2021.03020.

저자소개
He received the B.S. degree in Electrical Engineering from Chonnam National University,
Gwangju, South Korea, in 2022. He received the M.S. degree in Energy Engineering from
Korea Institute of Energy Technology(KENTECH), Naju, South Korea, in 2024. He is currently
pursuing the Ph.D. degree in Electrical Engineering in Seoul National University (SNU).
He received his B.S. and M.S. degree in electrical engineering from Chungbuk
Nationall University, Cheongju, South Korea, Since 1996 he has been working for Korea
Electric Power Corporation in field of transient analysis and insulation coordination.
His current research interests include VSC HVDC application for offshore windfarm
interconnection and weak ac system.
He received the B.S. and Ph.D. degrees in Electrical and Computer Engineering from
Seoul National University (SNU), Seoul, South Korea, in 2013 and 2020, respectively.
From 2020 to 2021, he was a Senior Researcher and R&D Manager with Seoul National
University Electric Power Research Institute, Seoul, South Korea. From 2021 to 2024,
he was an Assistant Professor with the Korea Institute of Energy Technology (KENTECH),
Naju, South Korea. From March 2024, he has been working as an Assistant Professor
in Dept. Electrical and Computer Engineering (ECE), Seoul National University (SNU),
affiliated with the Seoul National University Electric Power Research Institute in
Seoul, South Korea.