김천호
(Cheon-Ho Kim)
1iD
신광수
(Gwang-Su Shin)
1iD
송진솔
(Jin-Sol Song)
1iD
김호영
(Ho-Young Kim)
1iD
정진
(Jin Jeong)
1iD
김철환
(Chul-Hwan Kim)
†iD
-
(Dept. of Electrical and Computer Engineering, Sungkyunkwan University, Republic of
Korea.)
Copyright © The Korean Institute of Electrical Engineers
Key words
DC Overcurrent Relay, Fault Detection, Modular Multilevel Converter(MMC), Medium Voltage Direct Current(MVDC), Rate of Change of Current Relay, Undervoltage Relay
1. 서 론
최근 파리기후협약(Paris Climate Agreement)과 2050 탄소중립 목표에 따라, 재생에너지를 활용한 탄소 배출 저감 기술 개발과 보급이
활발히 이루어지고 있다. 특히 국내에서는, 발전설비 기준 신재생에너지 비중이 19%, 발전량 기준으로는 7% 수준이며, 2036년까지 발전설비 비중을
45.3%로 확대할 계획이다[1].
이와 같은 재생에너지 확대는 기존 AC 계통과의 연계에서 여러 문제를 야기하고 있다. 태양광 및 풍력과 같은 간헐성 전원의 계통 연계로 인해 역조류가
발생하고 이로 인해 전압 상승 및 주파수 변동이 빈번해져 전기품질 저하 및 전력 계통 운영의 복잡성이 증가하고 있다. 이러한 문제를 해결하기 위해
기존 AC 계통을 보완할 수 있는 새로운 형태의 구성으로 AC/DC Hybrid 시스템이 주목받고 있다.
AC/DC Hybrid 시스템은 기존 AC 인프라를 활용하면서도 DC의 장점을 결합하여 전력 전송 효율을 높이고, 재생에너지원의 변동성도 유연하게
대응할 수 있다. 그러나 DC 계통의 경우 전류 영점(Zero-crossing)이 존재하지 않아 차단이 어렵고[2] 선로 임피던스가 낮아 고장 발생 시 전류가 수 밀리초 내에 급격히 상승한다. 이러한 특성으로 인해 고장 발생 시 10ms 이내에 고장 검출 및 차단이
필요하다[3].
DC 계통 보호 방식은 크게 Pilot 보호 방식과 Non pilot 보호 방식으로 구분된다[4]. Pilot 보호 방식은 선로 양단의 보호 장치간 통신 정보 공유를 통해 고장을 검출하며, 고저항 고장에 대한 우수한 선택성과 신뢰성을 갖는다[5]. 그러나 통신 지연과 높은 구축 비용의 한계가 존재한다. 반면 non pilot 보호 방식은 국부(local) 측정 정보를 기반으로 고장을 판단하는
방식으로, 별도의 통신 없이 빠른 검출이 가능하나 고저항 고장 시 선택성이 저하되는 단점이 있다[6]. 일반적으로 선로에 리액터를 설치하여 전기적 보호 구간을 형성함으로써 선택성을 확보한다[4].
Non pilot 보호 기법의 선행연구로는 논문 [7]은 다중터미널 HVDC 계통에서 전압 변화율을 기반으로 한 주보호와, 전류 변화율을 기반으로 한 후비보호 알고리즘을 제안하였다. 주보호는 전압 변화율이
임계값보다 작아질 경우, 즉시 내부 고장으로 판단하여 동작한다. 반면 후비보호는 전류 변화율이 두 개의 임계값을 순차적으로 초과하고 정의된 시간 간격
이내인 경우에만 고장으로 인식한다. 각 임계값은 시뮬레이션을 통해 내부 고장에서의 변화율 최소값과, 외부 고장 및 차단기 개방에 의한 변화율 최대값을
기반으로 설정하였다. 논문 [8]은 광학 센서를 활용한 단말 차동 보호 기법을 제안하였으며, 보호 알고리즘의 2단계에서 전류 변화율을 다양한 위치에서의 고장을 고려한 시뮬레이션에
인위적인 노이즈를 중첩시켜 보호 알고리즘의 임계값을 설정하였다. 논문 [9]은 계통의 전류를 실시간으로 측정하고 전류 변화율이 일정 임계값을 초과한 후 전류 변화율의 최대값과 최소값의 극점 비율이 설정된 정정치 이상일 경우
고장이라고 판단하는 알고리즘을 제안하였다.
본 연구는 양극성 AC/DC Hybrid MVDC 배전계통에서 Full- Bridge MMC(Modular Multilevel Converter)를
기반으로 한 non pilot 고장 검출 알고리즘을 제안한다. 보호 구간에서 전압, 전류, 전류변화율을 활용하여 고장을 판단하며, 특히 전류변화율의
임계값은 단순한 시뮬레이션 기반이 아닌, FB-MMC의 RLC 등가 모델을 활용하여 고장 발생 초기 커패시터 방전 구간의 전류 및 전류변화율을 수학적으로
유도함으로써 임계값 설정 방식을 제시하여 기존 연구들과 차별화된 접근 방식을 취하였다.
또한 유도된 식을 기반으로 계산된 고장 전류 및 전류 변화율과 시뮬레이션 결과를 비교하여 오차율을 정량적으로 분석하였으며, 고장 조건와 비고장 조건하에서
MATLAB/Simulink을 통해 제안하는 고장 검출 알고리즘의 성능과 신뢰성을 확인하였다.
2. MMC (Modular Multilevel Converter)
2.1 MMC 특징 및 토폴로지
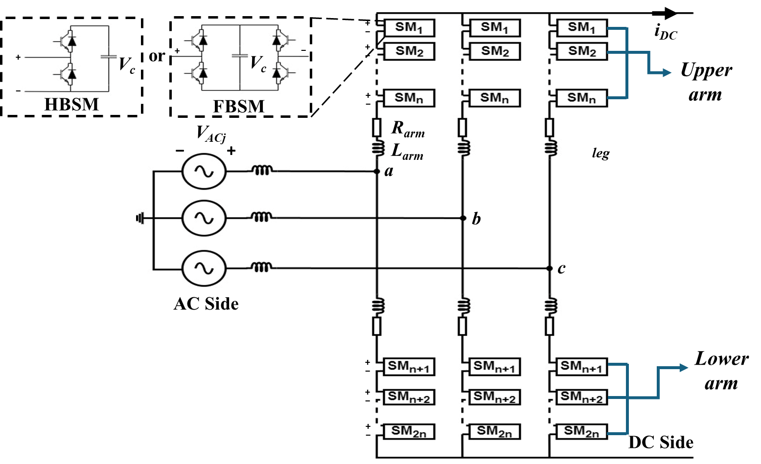
MMC는 고전압 및 고출력 전력변환을 위한 전력전자 변환기로 HVDC 및 MVDC 송배전 계통에 널리 사용된다. MMC의 주요 특징은 여러 개의 서브모듈(Sub-Module,
SM)이 직렬 연결로 구성되며, 전압 레벨을 높일 수 있어 수 십 kV~ 수 백 kV에 이르는 송배전급 고전압에 용이하다는 것이다. 또한 수 많은
SM이 직렬로 연결되어 한 레그(leg)를 구성해 각 모듈의 평균 스위칭 주파수가 낮더라도 N개의 SM이 N개의 전압 레벨을 출력할 수 있어 사인파에
가까운 전압을 출력하여 고효율로 운전이 가능하다[10].
MMC는 그림 1에서 Half-Bridge 서브모듈(HBSM)과 Full- Bridge 서브모듈(FBSM)로 나눌수 있다. HBSM은 하나의 커패시터와 두 개의 IGBT
전력 반도체 소자로 구성되어 있으며, 간단한 구조로 인해 제작 비용이 낮다는 장점을 가진다. 그러나 HBSM은 고장 전류 제거 기능이 없기 때문에
DC 고장이 발생할 경우 DC 차단기 또는 추가적인 보호 기술이 필요하다.
반면, FBSM은 하나의 커패시터와 네 개의 IGBT 전력 반도체 소자로 구성되어 있으며, 고장이 발생할 경우 모든 IGBT 소자를 차단함으로써 커패시터가
고장 전류 경로에 반대 극성으로 삽입된다. 이로 인해 커패시터 전압이 고장 전류와 반대 방향으로 작용하게 되어, 고장 전류를 상쇄시켜 제거할 수 있다[11]. 그러나 IGBT 소자가 고장 전류로 인해 손상되는 것을 방지하고, 고장 전류의 확산으로 인한 시스템 불안정을 막기 위해서는 IGBT 차단 이전에
DC 시스템에서 신속한 차단이 필요하다.
그림 1. MMC의 기본 구조
Fig. 1. Basic structure of MMC
2.2 MMC 고장 응답 특성 및 등가회로 모델링
MMC 내 고장 발생 시 고장 전류는 일반적으로 세 가지 주요 단계를 거친다. 첫 번째로 커패시터 방전(Capacitor Discharging) 단계와
환류 다이오드(Freewheeling Diode) 단계, AC 전원 유입 단계로 나뉜다. 초기 커패시터 방전 단계에서 MMC의 SM에 충전된 커패시터가
방전되면서 고장 지점으로 급격한 전류가 흘러 수 ms 이내에 고장 전류가 최대치에 도달하게 된다. 따라서, DC 계통에서 초기 방전 단계에 신속한
고장 검출 및 차단이 필요하다.
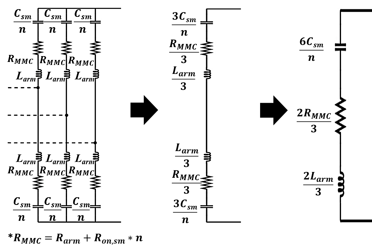
그림 2는 MMC의 RLC 등가회로 모델링 과정을 단계적으로 나타낸 것이다. MMC의 각 arm ($L_{a}$)은 여러 개의 SM ($C_{SM}$)으로
구성되며, 각 SM에는 스위칭 소자와 커패시터가 포함된다. 또한 각 arm에는 전류 리플을 저감하고 단락 전류를 제한하는 인덕터와 저항이 포함되며,
저항은 arm의 내부 저항과 스위칭 소자의 온(on) 저항을 포함하는 등가 저항($R_{MMC}$)으로 나타낼 수 있다.
MMC는 각 SM의 커패시터 전압을 일정하게 유지하기 위해 빠른 스위칭 동작을 수행한다. 이로 인해 물리적으로 상부 arm과 하부 arm은 직렬로
연결되어 있지만, 전기적 관점에서 동일한 노드에서 동작하므로 병렬 연결된 커패시터로 해석할 수 있다[12]. 따라서, MMC의 등가 커패시턴스, 인덕턴스, 저항은 다음 식 (1)~(3)으로 표현된다.
그림 2. MMC의 RLC 등가회로
Fig. 2. RLC equivalent circuit of MMC
2.3 커패시터 방전 단계에서의 고장 전류 해석
커패시터 방전 단계에서 SM에 저장된 에너지가 방출되면서 커패시터가 방전되고, 이에 따라 큰 고장 전류가 흐르게 된다. 이를 분석하기 위해 MMC의
RLC 등가회로를 활용하여 고장 전류 회로를 도출할 수 있으며, 그림 3의 우측 회로는 이를 주파수 영역에서 해석한 결과를 나타낸다.
고장 전류의 특성을 수학적으로 표현하기 위해 라플라스 변환을 적용하면, 고장 전류는 식 (4)와 같이 정의된다. 식 (4)는 RLC 직렬 회로에서의 2차 시스템 응답 형태를 가지며, 이를 시간 영역에서 해석하기 위해 라플라스 역변환을 수행하면 식 (5)로 표현된다[13].
식 (5)는 커패시터 방전 단계의 고장 전류를 나타내며, 초기 DC 전류 $i_{f}(0)$와 MMC의 DC 측 정격전압 $U_{c}$, 등가 커패시턴스,
인덕턴스, 저항을 이용하여 고장 발생 시 초기 커패시터 방전 단계에서의 전류 특성을 도출할 수 있다. 또한 식 (6) $a$는 감쇠 계수(Damping Coefficient)로 전류가 얼마나 빠르게 감소하는지를 결정한다. 식 (7) $w_{o}$는 고유 진동수(Natural Frequency)를 뜻하며 $w_{o}$가 클수록 전류의 변화가 더 빠르게 일어난다. 식 (8) $w$는 감쇠 주파수(Damped Frequency)를 뜻하며 실제 고장 시 발생하는 진동 주파수로 저항 성분이 커질수록 $w$가 작아지며, 지나치게
클 경우 진동 없이 지수적으로 감소하는 과감쇠(Overdamped) 상태가 된다. 식 (5)의 RLC 파라미터는 MMC 토폴로지 구성 및 고장 종류에 따라 달라질 수 있다.
그림 3. RLC 고장 등가회로 라플라스 변환
Fig. 3. Laplace transformation of faulty RLC equivalent circuit
3. 보호 계전기 및 고장 검출 알고리즘 설계
3.1 부족전압(Undervoltage) 보호 계전기
부족전압 보호 계전기는 정격 전압에서 설정된 임계값 이하로 전압이 감소하여 지연 시간 이후 계전기가 동작하는 원리로, 일반적으로 정격 전압의 0.8~0.9
p.u. 이하로 감소할 경우 보호 계전기가 동작하도록 설정된다. 그러나 지연 시간 동안 임계값 이상의 전압으로 복원될 경우 초기화 되어 동작하지 않는다[9].
본 연구에서 순간적인 부하 변동이나 서지로 인해 전압이 일시적으로 감소하는 경우에도 보호 계전기가 동작할 수 있으므로, 이를 방지하기 위해여 DC
정격 전압의 0.85 p.u인 17[kV]를 임계값($V_{THR}$)으로 설정하였다.
3.2 DC 과전류(Overcurrent) 보호 계전기
DC 과전류 보호 계전 방식은 DC 계통에서 과전류 상태를 감지할 경우 이를 신속하게 차단하기 위해 동작하는 보호 계전기이다[14]. DC 과전류 계전기는 임계값과 동작 지연 시간을 독립적으로 설정할 수 있으며 계전기가 측정한 직류 전류의 크기와 지속 시간이 모두 설정값을 초과할
경우 Trip 명령을 출력한다[9]. 본 연구에서 DC 계통의 정격 전류를 기준으로, DC 과전류 계전기의 임계값($I_{THR}$)을 1000[A]로 설정하였다.
3.3 전류 변화율(Rate of Change of Current;ROCOC) 보호 계전기
ROCOC 보호 계전 방식은 전류의 시간적 변화율을 이용하여 초기 고장을 신속하게 검출하는 방식이다. 본 연구의 시뮬레이션에서 ROCOC는 식 (9)으로부터 후진 유한 차분법(Backward Finite Difference Approximation)을 사용하여 계산하였다[15]. 여기서 $k$는 샘플링 인덱스를 나타내며, $i_{k}$와 $i_{k-1}$은 각각 현재 시점과 이전 시점에서 샘플링된 전류 값이다. 모든 측정값에서
샘플링 시간이 동일하기 때문에, 이후부터는 연속적인 샘플링 시점에서의 전류 차이만 측정하여 시간 미분을 계산한다.
ROCOC 보호 계전기의 임계값은 DC 측 고장 발생 시 MMC 내 서브모듈의 커패시터 방전으로 인해 발생하는 고장 전류의 변화율을 기반으로 설정하였다.
이를 위해 식 (5)를 1차 미분하여 식 (10)로 나타낼 수 있으며, 고장 발생 순간($t=0^{+}$)에서의 ROCOC는 식 (11)로 정의할 수 있다.
식 (11)은 등가 인덕턴스($L_{eq}$), 등가 저항($R_{eq}$), 고장 저항($R_{f}$)에 의해 결정되며, 이때 등가 인덕턴스는 식 (2)의MMC 등가 인덕턴스($L_{eq,\: MMC}$), DC 선로 인덕턴스, DC limiting reactor로 구성되고, 등가 저항은 식 (3)의 MMC 등가 저항($R_{eq,\: MMC}$), DC 선로 저항, 접지 저항, 부하 저항, 고장 저항으로 구성된다.
전류 변화율에 영향을 미치는 주요 변수로는 DC limiting reactor, 고장 위치, 고장 저항이 있으며 이들에 대한 민감도를 정량적으로 분석하기
위해 식 (12) Pearson 상관계수 r을 통해 각 변수와 ROCOC 간의 상관관계를 분석하였고, 고장 저항 $R_{f}\in${0, 1, 5, 10, 20}$ohm$,
DC limiting reactor $L_{DC,\: reactor}\in${10, 20, 30, 40, 50}mH, 고장 위치 $d\in${0,
3, 5, 7, 10}km 조건에서 총 125가지의 조합 중 최소 ROCOC 값을 계산하였다.
Pearson 상관계수 $r$은 두 연속형 변수 간의 선형 상관성을 나타내는 통계적 지표로 식 (12)에서 $x_{i}$는 독립 변수(고장 저항, DC Limiting Reactor, 고장 위치), $y_{i}$는 대응되는 ROCOC 값이며, $\overline{x},\:
\overline{y}$는 각각의 평균값을 의미한다. 상관계수 r이 1에 가까울수록 강한 양의 상관관계, -1에 가까울수록 강한 음의 상관관계를 나타낸다[16].
분석 결과, 그림 4에서 세 변수 모두 ROCOC와 음의 상관관계를 나타냈으며, 각 변수 값이 클수록 ROCOC 값이 감소하는 경향을 보인다. 이러한 상관관계 분석을
바탕으로, ROCOC가 최소가 되는 조합을 식 (11)을 통해 도출하였다. 그 결과, 고장 저항 20$ohm$, DC Limiting Reactor 50mH, 고장 위치 10km 조건에서의 수식적으로
계산된 ROCOC는 171.688[kA/s] 이며, 시뮬레이션 결과는 172.184[kA/s]로 오차율은 약 0.29%로 낮은 수치를 보였다. 이
조건은 전류 변화율이 가장 낮은 고장 제한 조건으로 171.688[kA/s]을 ROCOC 보호 계전기의 임계값($ROCOC_{THR}$)으로 설정하였다.
그림 4. ROCOC와 분석 변수 간의 Pearson 상관관계 히트맵
Fig. 4. Pearson correlation heatmap between ROCOC and analyzed variables
3.4 제안하는 보호 계전기 고장 검출 알고리즘
본 연구에서 부족전압 계전기, DC 과전류 계전기, ROCOC 계전기를 병렬 운용하는 다중 보호 로직을 구성하였다. 각 보호 계전기는 고장 발생 시
계측값이 설정된 임계값을 초과하거나 미만으로 변화하는지를 감지하며, 해당 상태가 설정된 동작 시간 지연($T_{d elay}$) 구간 동안 연속적으로
유지될 경우 해당 보호 계전기가 고장으로 판정된다. 이때 동작 시간 지연은 1.0ms로 설정하였다.
제안하는 고장 검출 알고리즘은 세 보호 계전기 모두가 각각의 고장 조건을 만족해야 최종적으로 고장으로 판단하는 AND 논리 기반 구조를 따른다. 따라서
실제 Trip 신호는 세 계전기 중 가장 늦게 고장 조건을 만족한 시점에서 발생한다. 제안하는 고장 검출 알고리즘의 전체 동작은 그림 5에 플로우차트로 표현하였다.
그림 5. 제안하는 보호 계전기 고장 검출 알고리즘이 플로우차트
Fig. 5. Flowchart of the proposed protection relay fault detection algorithm
4. 시뮬레이션 결과 및 분석
4.1 시뮬레이션 테스트 계통
본 연구에서 그림 6의 $\pm $20kV Bipole(3 케이블) 구조를 갖는 2개의 전력변환 장치로 구성된 Full-Bridge MMC AC/DC Hybrid MVDC
배전계통을 Matlab/Simulink를 통해 모델링하였다. 해당 시스템은 V-Q 제어를 하는 단일 전원으로 운전되며, 방사형 구조로 설계하였다.
또한, 계통의 안정성을 확보하기 위해 중성선 다중 접지 방식을 채택하였으며, 접지 저항은 200m 당 50$ohm$으로 설정하였다.
Bipole(3 케이블) 방식은 기존 AC 접지를 활용할 수 있으며, 1회선 고장 발생 시 1/2 용량으로 운전이 가능하여 높은 공급 신뢰도가 필요한
배전 방식에 유리하다. 본 계통의 DC 최대 전송 가능 용량은 40MW로 산출되었으며, 정상 상태에서는 정격 용량의 50%로 동작한다고 가정하였다.
시뮬레이션에서 고장은 2.3초에 발생하고, 양극선로가 지락되는 PTG(Pole-to-Ground) 고장을 모의하였다. 또한, 고장 전류의 급격한 상승을
제한하기 위해 DC limiting reactor를 선로에 설치하였다[17].
그림 6. 방사형 AC/DC hybrid MVDC 배전 시험 계통
Fig. 6. Radial AC/DC hybrid MVDC distribution test system
4.2 고장 상태에서의 고장 검출 알고리즘 동작 분석
본 연구에서는 DC limiting reactor, 고장 저항, 고장 위치의 세 가지 주요 파라미터를 각각 변화시켜 다양한 고장 조건을 구성하였으며,
이에 대한 구성은 표 1에 정리하였다.
각 고장 조건은 하나의 변수만을 변경하고 나머지 변수들은 고정하여 보호 계전기의 감도 및 고장 검출 특성에 미치는 영향을 분석할 수 있도록 구성되었다.
또한 보호 계전기의 응답 특성을 비교 분석하기 위해 각 고장 조건에 대해 샘플링 주파수를 4kHz, 20kHz로 설정하여 수행하였다. 이를 바탕으로
제안된 보호 알고리즘을 적용한 각 보호 계전기의 고장 검출 성능을 정량적으로 평가하였다.
표 1. 보호 계전기 성능 평가를 위한 고장 조건 구성
Table 1. Fault case configurations for evaluation of protection relay performance
|
Case
|
Varied parameter
|
Constant parameters
|
Varied value
|
|
Case 1
|
DC limiting reactor
|
Fault location : 0[km]
Fault resistance : 0[$\Omega$]
|
10, 50 [mH]
|
|
Case 2
|
Fault resistance
|
DC limiting reactor : 10[mH]
Fault location : 0[km]
|
0, 20 [$\Omega$]
|
|
Case 3
|
Fault location
|
DC limiting reactor : 10[mH]
Fault resistance : 0[$\Omega$]
|
0, 10 [km]
|
표 2는 DC limiting reactor의 크기에 따른 각 보호 계전기의 고장 검출 특성이 어떻게 달라지는지 분석한 결과를 보여준다. DC limiting
reactor는 고장 발생 시 전류의 급격한 증가를 억제하는 유도성 소자로, 그 크기에 따라 고장 전류 크기에 영향을 준다. 시뮬레이션 결과, DC
과전류 계전기와 ROCOC 계전기는 DC limiting reactor가 증가함에 따라 고장 검출 시점의 전류 크기와 전류 변화율이 감소하는 경향을
나타났다. 이는 DC limiting reactor의 유도성 성분이 전류의 상승률을 억제하기 때문이며, 결과적으로 두 계전기의 감도 특성이 DC limiting
reactor 크기에 따라 달라질 수 있음을 의미한다. 부족전압 계전기는 DC limiting reactor 크기에 따른 영향이 상대적으로 제한적이었으며,
이는 전압 강하의 민감도가 전류 변화보다 낮기 때문이다[7].
표 2. DC limiting reactor 크기 변화에 따른 보호 계전기별 고장 검출 특성 (Case 1)
Table 2. Fault detection characteristics of protection relays according to DC limiting
reactor size (Case 1)
|
DC limiting reactor [mH]
|
Sampling frequency [kHz]
|
Relay type
|
Detection time [ms]
|
Sim. value
|
|
10
|
4
|
Undervoltage
|
1.0
|
843.66 [V]
|
|
Overcurrent
|
1.5
|
1687.81 [A]
|
|
ROCOC
|
1.0
|
808.42 [kA/s]
|
|
20
|
Undervoltage
|
1.0
|
843.66 [V]
|
|
Overcurrent
|
1.6
|
1766.27 [A]
|
|
ROCOC
|
1.0
|
804.77 [kA/s]
|
|
50
|
4
|
Undervoltage
|
1.0
|
351.35 [V]
|
|
Overcurrent
|
2.5
|
1226.61 [A]
|
|
ROCOC
|
1.0
|
305.07 [kA/s]
|
|
20
|
Undervoltage
|
1.0
|
351.35 [V]
|
|
Overcurrent
|
2.7
|
1285.80 [A]
|
|
ROCOC
|
1.0
|
304.51 [kA/s]
|
표 3은 고장 저항의 크기에 따라 각 보호 계전기의 고장 검출 특성 변화를 분석하였다. 시뮬레이션 결과, 고장 저항이 0Ω에서 20Ω으로 증가할 경우,
DC 과전류 계전기와 ROCOC 계전기는 고장 검출 시점에서의 전류 크기와 전류 변화율이 모두 감소하였다. 특히 DC 과전류 계전기의 경우, 고장
저항 증가에 따라 임계값을 초과하는 시점이 지연되며, 그 결과 고장 검출 시점도 늦어지는 특성을 보였다. 반면, 부족전압 계전기와 ROCOC 계전기는
고장 발생 직후 설정된 동작 시간 지연 동안 임계값 초과 상태가 유지되었으며, 이에 따라 고장 저항의 변화와 무관하게 동일한 시점에서 고장을 검출하였다.
표 3. 고장 저항 크기 변화에 따른 보호 계전기별 고장 검출 특성 (Case 2)
Table 3. Fault detection characteristics of protection relays according to fault resistance
(Case 2)
|
Fault resistance [$\Omega$]
|
Sampling frequency [kHz]
|
Relay type
|
Detection time [ms]
|
Sim. value
|
|
0
|
4
|
Undervoltage
|
1.0
|
843.66 [V]
|
|
Overcurrent
|
1.5
|
1687.81 [A]
|
|
ROCOC
|
1.0
|
808.42 [kA/s]
|
|
20
|
Undervoltage
|
1.0
|
843.66 [V]
|
|
Overcurrent
|
1.6
|
1766.27 [A]
|
|
ROCOC
|
1.0
|
804.77 [kA/s]
|
|
20
|
4
|
Undervoltage
|
1.0
|
12963.1 [V]
|
|
Overcurrent
|
2.25
|
1160.35 [A]
|
|
ROCOC
|
1.0
|
308.69 [kA/s]
|
|
20
|
Undervoltage
|
1.5
|
12963.1 [V]
|
|
Overcurrent
|
2.35
|
1173.51 [A]
|
|
ROCOC
|
1.0
|
289.77 [kA/s]
|
표 4는 고장 위치 변화가 각 보호 계전기의 고장 검출 특성에 미치는 영향을 분석하였다. 고장 위치가 0km에서 10km로 증가하면, 보호 계전기로부터
고장점까지의 선로 임피던스가 증가하여 DC 과전류 계전기와 ROCOC 계전기의 고장 검출 시점에서의 전류 크기가 감소하고, 전류변화율 또한 완화되는
특성이 나타난다. 한편 부족전압 계전기와 ROCOC 계전기는 고장 위치와 무관하게 고장 발생 후 지연 시간 동안 임계값 초과 상태가 지속되어 고장을
동시에 검출하였다. DC 과전류 계전기의 경우, 고장 위치가 보호 계전기로부터 멀어질수록 고장 검출 시점에서의 전류 크기가 감소하고 임계값 초과 시점이
지연되는 경향이 관찰되었다.
표 4. 고장 위치 변화에 따른 보호 계전기별 고장 검출 특성 (Case 3)
Table 4. Fault detection characteristics of protection relays according to fault location
(Case 3)
|
Fault location [km]
|
Sampling frequency [kHz]
|
Relay type
|
Detection time [ms]
|
Sim. value
|
|
0
|
4
|
Undervoltage
|
1.0
|
843.66 [V]
|
|
Overcurrent
|
1.5
|
1687.81 [A]
|
|
ROCOC
|
1.0
|
808.42 [kA/s]
|
|
20
|
Undervoltage
|
1.0
|
843.66 [V]
|
|
Overcurrent
|
1.6
|
1766.27 [A]
|
|
ROCOC
|
1.0
|
804.77 [kA/s]
|
|
10
|
4
|
Undervoltage
|
1.5
|
7703.21 [V]
|
|
Overcurrent
|
1.75
|
1372.84 [A]
|
|
ROCOC
|
1.0
|
516.15 [kA/s]
|
|
20
|
Undervoltage
|
1.0
|
7703.21 [V]
|
|
Overcurrent
|
1.95
|
1467.84 [A]
|
|
ROCOC
|
1.0
|
511.71 [kA/s]
|
4.3 DC 과전류 및 ROCOC 보호 계전기 오차율 분석
본 절에서는 MMC의 RLC 등가 모델을 기반으로 수학적으로 도출한 고장 전류 식 (5) 및 전류 변화율 식 (10)을 활용하여, DC 과전류 계전기 및 ROCOC 계전기가 고장을 판단한 시점에서의 시뮬레이션 결과의 오차를 정량적으로 비교하였다.
표 5는 Case 1의 결과로, 두 계전기 모두 최대 오차율이 각각 0.29%, 1.12%로 나타나였고, 표 7의 Case 3 결과의 최대 오차율이 각각 0.29%, 1.68% 수준으로 나타나 계산값의 신뢰성을 확인할 수 있었다.
표 6은 Case 2에 대해 분석 결과를 제시한다. 고장 저항이 20$ohm$, 샘플링 주파수가 4kHz 조건에서 ROCOC 계전기의 시뮬레이션 값과 계산값
간 오차율은 12.19%로 증가하였다. 이는 식 (6)의 감쇠 계수 증가로 인해 전류 변화율 식 (10)의 값이 시간에 따라 빠르게 감소하기 때문으로 해석된다. 그러나 이러한 조건에서도 계산된 전류 변화율 275.16[kA/s]은 임계값 171.688[kA/s]을
초과하여 고장 판단 조건을 만족하였다. 반면, 동작 시간 지연을 1.5ms로 설정할 경우 동일 조건에서 계산된 전류 변화율은 142.14[kA/s]로
임계값을 초과하지 못하여 고장 판단 조건을 만족하지 못하게 된다. 이때 시뮬레이션 값은 4kHz에서 227.69[kA/s], 20kHz에서 214.32[kA/s]로
나타났으며, 각각의 오차율은 60.21%, 50.8%로 급격히 증가하였다. 이러한 결과를 통해, 1.0ms의 동작 시간 지연이 보호 계전기의 검출
신뢰성을 확보하기 위한 적절한 설정임을 확인하였다. 또한 DC limiting reactor, 고장 저항, 고장 위치 변화에 대해서 RLC 등가 모델을
기반의 고장 전류 및 전류 변화율 계산값은 시뮬레이션 값과 높은 일치성을 보여 신뢰성을 검증할 수 있었다.
표 5. DC limiting reactor 변화에 따른 보호 계전기 계산값 및 시뮬레이션 오차율 (Case 1)
Table 5. Error comparison between analytical and simulated values of protection relays
under varying DC limiting reactor (Case 1)
|
DC limiting reactor [mH]
|
Sampling frequency [kHz]
|
Relay type
|
Calc. value
|
Error [%]
|
|
10
|
4
|
Overcurrent
|
1683.15 [A]
|
0.28
|
|
ROCOC
|
799.48 [kA/s]
|
1.12
|
|
20
|
Overcurrent
|
1761.17 [A]
|
0.29
|
|
ROCOC
|
799.48 [kA/s]
|
0.66
|
|
50
|
4
|
Overcurrent
|
1224.12 [A]
|
0.20
|
|
ROCOC
|
303.05 [kA/s]
|
0.67
|
|
20
|
Overcurrent
|
1283.11 [A]
|
0.21
|
|
ROCOC
|
303.05 [kA/s]
|
0.48
|
표 6. 고장 저항에 따른 보호 계전기 계산값 및 시뮬레이션 오차율 (Case 2)
Table 6. Error comparison between analytical and simulated values of protection relays
under varying fault resistance (Case 2)
|
Fault resistance [$\Omega$]
|
Sampling frequency [kHz]
|
Relay type
|
Calc. value
|
Error [%]
|
|
0
|
4
|
Overcurrent
|
1683.15 [A]
|
0.28
|
|
ROCOC
|
799.48 [kA/s]
|
1.12
|
|
20
|
Overcurrent
|
1761.17 [A]
|
0.29
|
|
ROCOC
|
799.48 [kA/s]
|
0.66
|
|
20
|
4
|
Overcurrent
|
1188.36 [A]
|
2.36
|
|
ROCOC
|
275.16 [kA/s]
|
12.19
|
|
20
|
Overcurrent
|
1203.11 [A]
|
2.46
|
|
ROCOC
|
275.16 [kA/s]
|
5.31
|
표 7. 고장 위치에 따른 보호 계전기 계산값 및 시뮬레이션 오차율 (Case 3)
Table 7. Error comparison between analytical and simulated values of protection relays
under varying fault location (Case 3)
|
Fault location [km]
|
Sampling frequency [kHz]
|
Relay type
|
Calc. value
|
Error [%]
|
|
0
|
4
|
Overcurrent
|
1683.15 [A]
|
0.28
|
|
ROCOC
|
799.48 [kA/s]
|
1.12
|
|
20
|
Overcurrent
|
1761.17 [A]
|
0.29
|
|
ROCOC
|
799.48 [kA/s]
|
0.66
|
|
10
|
4
|
Overcurrent
|
1369.92 [A]
|
0.21
|
|
ROCOC
|
507.60 [kA/s]
|
1.68
|
|
20
|
Overcurrent
|
1464.51 [A]
|
0.23
|
|
ROCOC
|
507.60 [kA/s]
|
0.81
|
4.4 비고장 상태에서의 고장 검출 알고리즘 동작 분석
본 절에서 실제 고장이 아닌 부하 변동 상황에서 제안한 고장 검출 알고리즘의 동작 특성을 검토하였다. 계통은 정격 용량의 50%로 운전되는 조건에서,
부하를 각각 75%, 85%, 95% 수준으로 단계적으로 증가시키는 스텝형 부하 변동을 모의하였으며 이때 각 보호 계전기의 응답 여부를 비교하였다.
그림 7, 8에서 시뮬레이션 결과, 급격한 부하 변화로 인해 일시적으로 전압 강하 및 전류 변화가 발생하였으나, 부족전압 계전기와 ROCOC 계전기는 모두 설정된
시간 지연 조건을 만족하지 않아 동작하지 않았다. 또한 DC 과전류 계전기의 경우에도 전체 부하 증가 조건에서 전류가 임계값에 도달하지 않아 고장으로
인식되지 않았다. 이를 통해 제안된 고장 검출 알고리즘은 부하 변동 상황에서 오동작하지 않고 안정적으로 동작함을 확인할 수 있었다.
이러한 결과는 제안된 보호 알고리즘이 고장 상황과 비고장 상황을 효과적으로 구분하여 오동작 없이 동작함을 나타내며, 실제 계통 적용 시 신뢰성 높은
보호 성능을 기대할 수 있음을 시사한다.
그림 7. 부하 변동에 따른 보호 계전기의 응답(4 kHz)
Fig. 7. Protection relay response under load variation (4 kHz)
그림 8. 부하 변동에 따른 보호 계전기의 응답(20 kHz)
Fig. 8. Protection relay response under load variation (20 kHz)
5. 결 론
본 연구는 Bipolar FB-MMC AC/DC Hybrid MVDC 배전계통에서 통신 없이 단일 지점의 측정 정보를 활용하는 non pilot 기반
고장 검출 알고리즘을 제안하였다. 전압, 전류, 전류 변화율을 활용해 고장을 판단하며, 각 보호 계전기가 임계값을 일정 시간 초과하면 고장으로 판단하는
로직이다. 특히 MMC의 RLC 등가 모델을 바탕으로 커패시터 방전 단계의 전류와 전류변화율을 수학적으로 도출하였고 ROCOC 계전기의 임계값은 DC
limiting reactor, 고장 저항, 고장 위치를 반영하여 설정하였다.
시뮬레이션 분석 결과, 부족전압 계전기와 ROCOC 계전기는 고장 조건 변화와 관계없이 모두 1.0ms 이내에 고장을 검출하였다. 반면, DC 과전류
계전기는 임피던스 증가할 경우 검출 시점이 일부 지연되는 경향을 보였다. 또한, 각 보호 계전기의 고장 검출 시점에서의 전류 및 전류 변화율에 대해
계산값과 시뮬레이션 값을 비교한 오차율 분석을 통해 제안하는 고장 검출 알고리즘의 신뢰성을 확인하였다. 아울러, 비고장 조건에서도 보호 계전기들이
오동작 없이 동작하였다. 제안하는 고장 검출 알고리즘은 향후 MVDC 배전계통의 보호 설계에 유의미한 참고 자료로 활용될 수 있을 것으로 기대된다.
Acknowledgements
본 연구는 산업통상자원부(MOTIE)와 한국에너지기술평가원(KETEP)의 지원을 받아 수행한 연구 과제입니다. (No. 20225500000110),
This work was supported by the Korea Institute of Energy Technology Evaluation and
Planning(KETEP) and the Ministry of Trade, Industry & Energy(MOTIE) of Republic of
Korea. (No. 20225500000110)
본 연구는 4단계 BK21 사업의 지원을 받아 수행한 연구 과제입니다.
This work was supported by the BK21 FOUR Project
References
2023, The 10th Basic Plan for Electricity Supply and Demand

S. Venkata, 2019, Microgrid protection: Advancing the state of the art

R. Li, L. Xu, 2017, Review of DC fault protection for HVDC grids, WIREs Energy Environment,
Vol. 7, No. 2, pp. 1-15

Radwan, 2022, Protection of Multi-Terminal HVDC Grids: A Comprehensive Review, Energies,
Vol. 15, No. 24

Z. Li, 2021, High error-tolerable unit protection for VSC-MTDC independent of data
synchronization, International Journal of Electrical Power & Energy Systems, Vol.
124

N. Tong, 2019, Local Measurement-Based Ultra-High-Speed Main Protection for Long Distance
VSC-MTDC, IEEE Transactions on Power Delivery, Vol. 34, No. 1, pp. 353-364

M. J. Pérez-Molina, 2022, Local Derivative-Based Fault Detection for HVDC Grids, IEEE
Transactions on Industry Applications, Vol. 58, No. 2, pp. 1521-1530

D. Tzelepis, 2017, Single-Ended Differential Protection in MTDC Networks Using Optical
Sensors, IEEE Transactions on Power Delivery, Vol. 32, No. 3, pp. 1605-1615

J-I. Song, 2017, Development of Fault Detection Algorithm Using Current Derivative
Characteristic in Low Voltage Direct Current Distribution System

Jae-Jung Jung, 2020, Circuit Configuration of Asymmetric Mixed MMC in Bipolar HVDC
Transmission Systems, The Transactions of The Korean Institute of Electrical Engineers,
Vol. 69, No. 3, pp. 435-441

B. Li, 2019, A review of the protection for the multi-terminal VSC-HVDC grid, Protection
Control Modern Power Systems, Vol. 4, No. 3, pp. 1-11

B. Jiang, 2018, Arm Overcurrent Analysis and Calculation of MMC-HVDC System with DC-link
Pole-to-Pole Fault, Electric Power Components and Systems, Vol. 46, No. 2, pp. 177-186

Gwang-Su Shin, 2024, A Study on the Analysis of Fault Current in Bipolar MVDC System
Based on FB-MMC, pp. 315-316

C-H. Park, 2011, A Method of Improving High Impedance Grounding Protection System
for DC Electric Railway

A. Meghwani, 2017, A Non-unit Protection Scheme for DC Microgrid Based on Local Measurements,
IEEE Transactions on Power Delivery, Vol. 32, No. 1, pp. 172-181

L. Kong, H. Nian, 2021, Fault Detection and Location Method for Mesh-Type DC Microgrid
Using Pearson Correlation Coefficient, IEEE Transactions on Power Delivery, Vol. 36,
No. 3, pp. 1428-1439

David Döring, 2020, Interactions between a half-bridge MMC and a hybrid DC breaker
during fault current interruption compared to a full-bridge MMC, IET Power Electronics,
Vol. 13, No. 18, pp. 4168-4175

저자소개
김천호(Cheon-Ho Kim)
He received a B.S. degree in the Department of Electical, Electronics, and Communication
Engineering Education from Chungnam National University, Korea, in 2024. At present,
he is enrolled in the master’s program from Sungkyunkwan University, Korea. His research
interests include power system protection and AC/DC hybrid MVDC distribution networks.
신광수(Gwang-Su Shin)
He received a B.S. degree in Electrical Engineering from Kangwon National University
in 2019. He is currently a Ph. D. candidate in the combined master’s and doctorate
program at eh College of Information and Communication Engineering, Sungkyunkwan University.
His research interests include renewable energy integration, Vehicle-to-Grid (V2G)
technology, and modeling and analysis of fault current in bipolar MVDC systems with
modular multilevel converters.
송진솔(Jin-Sol Song)
He received a B.S. degree from the College of Information and Communication Engineering,
Sungkyunkwan University, Korea, in 2017. At present, he is enrolled in the combined
master’s and doctorate program. His research interests include distributed generation
and power system protection on AC/DC hybrid MVDC distribution networks.
김호영(Ho-Young Kim)
He received a B.S. degree from College of Information and Communication Engineering,
Sungkyunkwan University, Korea, in 2020. He is currently a Ph. D. candidate in the
combined master’s and doctorate program at eh College of Information and Communication
Engineering, Sungkyunkwan University. His research interests include distributed energy
resources and development of reclosing algorithm in AC/DC hybrid distribution system.
정진(Jin Jeong)
He received a B.S. degree from the College of Information and Communication Engineering,
Sungkyunkwan University, Korea, in 2024. At present, he is enrolled in the master’s
program from Sungkyunkwan University, Korea. His research interests include power
system protection and AC/DC hybrid MVDC distribution networks.
김철환(Chul-Hwan Kim)
He received B.S., M.S., and Ph. D. degrees in Electrical Engineering from Sungkyunkwan
University, Korea, in 1982, 1984, and 1990, respectively. In 1990, he joined Jeju
National University, Korea, as a Full-Time Lecturer. He was a Visiting Academic with
the University of Bath, U.K. in 1996, 1998, and 1999. He has been a Professor with
the College of Information and Communication Engineering, Sungkyunkwan University,
since 1992, where he is currently the Director of the Center for Power Information
Technology. His current research interests include power system protection, artificial
intelligence applications for protection and control, modeling/protection of underground
cable, and AC/DC hybrid MVDC distribution networks.