이주봉
(Ju-Bong Lee)
1iD
이춘권
(Chun-Kwon Lee)
†iD
-
(Dept. of Intelligent Robot Engineering, Pukyong National University, Korea. E-mail:
ljb391999@naver.com)
Copyright © The Korean Institute of Electrical Engineers
Key Words
Cable condition monitoring, Fault simulation, Health index, Phase constant, RLCG parameter modeling, Severity classification
1. 서 론
전력 케이블은 송·배전 설비의 핵심 구성 요소로, 장기간 운전 과정에서 절연 열화, 도체 부식, 수분 침투 등 다양한 열화 요인에 지속적으로 노출된다.
이러한 열화는 절연 파괴나 단락과 같은 심각한 고장을 초래할 수 있으며, 그 결과 장시간 정전, 장비 손상, 안전사고로 이어질 수 있다. 따라서 케이블의
상태를 조기에 진단하고, 열화 정도를 정량적으로 평가하는 기술은 전력 설비의 안정적 운영과 유지보수 비용 절감 측면에서 매우 중요하다 [1-3].
케이블 절연 성능 평가에 가장 널리 사용되는 VLF (very low frequency) 유전손실율 측정 (
tan
δ
) 기법은 절연체의 손실 정도를 나타내는 대표적인 지표로, 케이블을 교류 전압으로 충전할 때 흐르는 전도성 누설전류와 용량성 충전전류의 위상차 비율로
정의된다. 즉,
tan
δ
가 커질수록 절연체 내에서의 유전 손실 및 누설 성분이 증가함을 의미한다. 이 방법은 절연체의 전도 및 유전 손실을 포괄적으로 반영할 수 있으나,
절연체의 종류·온도·주파수 및 길이 등 다양한 요인에 민감하게 영향을 받는다 [4-6]. 특히 현장시험 시 시험 전원의 충전전류 용량 제한으로 인해 케이블 길이가 증가할수록 충전이 불완전해지고,
tan
δ
측정값의 신뢰도가 낮아지는 한계가 있다. 따라서,
tan
δ
값은 측정 환경과 시스템 특성에 따라 변동 폭이 커서, 재질 또는 길이에 무관한 보편적 진단 기준으로 활용하기에는 제약이 존재한다 [7,8]. 이러한 한계를 보완하기 위해 기존의 일반 측정
tan
δ
값 이외의 각각 측정된 값의 표준편차, 고전압과 저전압에서 계측된 값의 차이 등을 추가 하여 통계적으로 이용하는 방법이 현재 연구 중이다.
또한, 최근 케이블을 전송선로 관점에서 해석하고, 케이블 내부 전파 상수 (
γ
(
ω
)
=
α
(
ω
)
+
j
β
(
ω
)
) 를 이용하여 절연체의 유전 특성 및 열화 정도를 추정하는 연구들이 활발히 진행되었다. 케이블의 절연 내력 저하는 내부 절연체의 유전 특성 변화를
초래하며, 유전율 및 유전 손실이 증가함에 따라 전송선로의 전파 상수 또한 변화한다. 이러한 전파 상수의 감쇠 및 위상 성분은 절연체의 열화 정도를
반영하므로, 전파 상수는 절연 내력 저하를 간접적으로 진단할 수 있는 유효한 지표로 활용될 수 있다. LIRA (Line Impedance Resonance
Analysis) 기법에서는 주파수별 임피던스 공진 특성으로부터 유전율 및 손실 요소를 추정하여 절연 내력을 평가하였고 [9,10], BIS (Broadband Impedance Spectroscopy) 기법은 광대역 주파수 응답을 이용하여 절연재의 복소 유전율 변화를 정량화하였다
[11,12]. 또한 반사파 계측법 (reflectometry) 기반 연구들에서는 반사 신호를 분석하여 케이블 내부 감쇠 (
α
(
ω
)
) 및 위상 (
β
(
ω
)
) 상수를 추정하고, 이를 통하여 절연 열화 정도 및 결함 위치를 산출하였다 [13-16]. 이러한 연구들은 전파 상수의 주파수 의존 특성이 절연체의 유전 손실 및 절연 내력과 직접적인 상관성을 가짐을 보여준다.
전파 상수 기반 케이블 진단 기법은 고전압을 인가하지 않으므로 절연 파괴 위험이 낮고, VLF
tan
δ
시험과 달리 충전 과정이 필요하지 않아 신속하고 안전한 진단이 가능하다. 그러나 기존 전파 상수 기반 연구들은 절연체 종류(XLPE, EPR 등)나
케이블 구조에 따라 관계없이 절연 상태를 통합적으로 평가하거나 공통 상태 지표 (Health Index, HI)로 정량화한 연구는 상대적으로 부족한
실정이다.
따라서 본 연구에서는 기존 케이블 열화 진단의 기준인 IEEE 400.2의 절연체별 상태 판정 기준
tan
δ
값을 기반으로 [7], 케이블 내부 전파 상수를 정규화 및 가중 결합하여 절연체 종류나 케이블 길이에 무관한 보편적 절연 상태 지표를 제안한다. 제안된 지표는 전파 상수의
단위 길이당 RLCG 파라미터를 이용하기 때문에 길이 독립적이며, 재질·구조 변화에도 영향받지 않는 절연 내력 평가가 가능하다.
2. 이론적 배경
2.1 케이블의 RLCG 파라미터와 전파 상수
본 연구에서는 케이블의 전파 상수와 절연 열화의 관계를 분석하기 위해, 케이블을 전송선로 이론에 기반한 동심 원통형 등가 단선 회로로 모델링하고 전기적
파라미터 (RLCG) 변화를 해석하였다. 실제 전력 케이블은 절연체와 재킷으로 구성된 이중 절연 구조를 가지며, 중성선 또는 실드층의 존재에 따라
유효 유전율과 투자율이 변화할 수 있다. 이러한 복합구조를 단일 등가 매질로 단순화하여, 절연체의 유전 특성이 전파 상수에 미치는 영향을 규명하는
데 중점을 두었다.
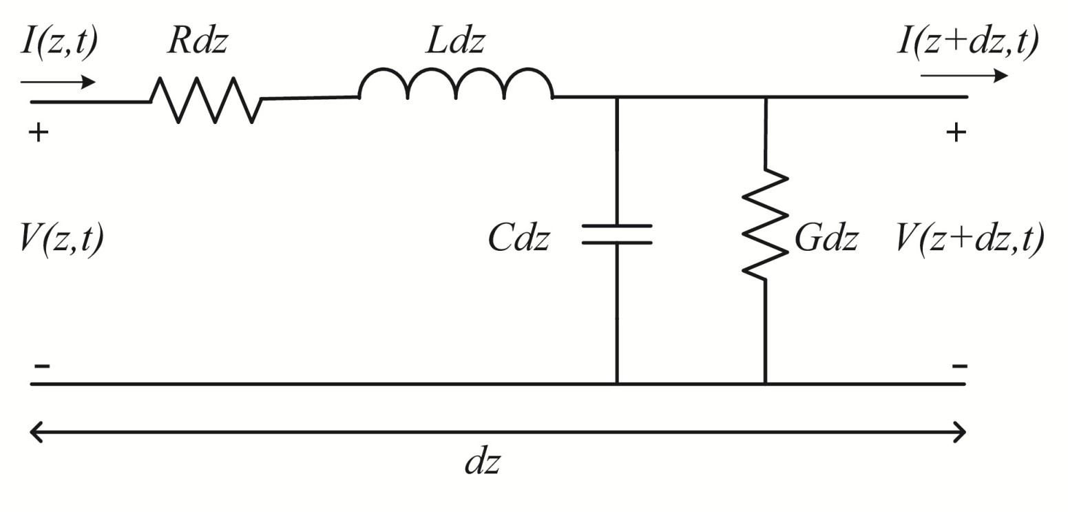
그림 1. 케이블의 RLCG 등가 모델
Fig. 1. Equivalent RLCG model of the cable
그림 1은 길이가
d
z
인 케이블의 RLCG 모델을 나타낸다. 이상적이거나 정상 상태의 케이블은 캐패시턴스보다 컨덕턴스가 작아 도체에서 전송되는 동안 전력 손실이 최소화된다.
그러나 도체와 피복층 사이 또는 도체와 접지 사이의 절연이 장기간 작동이나 고장으로 인해 열화되면 컨덕턴스가 증가하여 케이블 내 전력 손실이 증가한다.
중심 도체 반경
a
와 외부 도체 내경
b
를 갖는 동심 전력 케이블의 케이블 내부 전기적 파라미터는 다음과 같이 정의된다 [17].
여기서
ϵ
0
는 진공에서의 유전율 (
8.85
×
10
−
12
[
F
/
m
]),
ϵ
r
는 절연체의 상대 유전율,
μ
0
는 진공에서의 투자율 (
4
π
×
10
−
7
[
H
/
m
]) 이다. 도체 손실에 의한 저항은 표피효과에 의해 전류가 도체 표면으로 집중되며, 이때 전류 침투깊이
δ
i
(
ω
)
는 주파수의 제곱근에 반비례하며 다음과 같이 정의된다.
여기서
ω
는 각주파수,
σ
1
,
σ
2
는 각 도체의 전도율 [
S
/
m
]이다. 케이블 절연체의 컨덕턴스는 유전손실율
tan
δ
과 관련되어 있으며, 캐패시턴스와의 비율을 반영하여 다음과 같이 정의된다 [18].
정상 상태의 절연체는 매우 작은
tan
δ
값을 갖는다. 정상 케이블의 단위 길이당 컨덕턴스는 다음과 같이 캐패시턴스의 약 0.01~0.1% 수준이며, 이 범위를 벗어나는 증가는 절연 상태의
요주의 이상 열화 상태를 의미한다. 따라서, 케이블의 전체 열화 상태는 케이블 내부 파라미터 중 컨덕턴스에 의해 결정된다. 선로의 전파 상수
γ
(
ω
)
와 특성 임피던스
Z
c
(
ω
)
는 다음과 같이 정의된다.
여기서
α
(
ω
)
는 감쇠 계수,
β
(
ω
)
는 위상 계수이다. 케이블의 절연체 상태가 열화되면, G가 증가하게 되고, 이는 감쇠 계수와 위상 계수에 각각 영향을 미친다.
2.2 전파 상수 회귀계수와 열화 민감도
케이블 내부 전파 상수는 저손실 조건 (
R
≪
ω
L
,
G
≪
ω
C
) 에서 다음과 테일러 근사할 수 있다 [7].
따라서
tan
δ
는 전파 상수의 실수부
α
(
ω
)
에 비례하며, 절연체의 유전 손실 증가는 주파수에 따라 단조적으로 증가하는 형태로 반영된다. 이 관계는 케이블의 구조나 재질과 관계없이 등가 모델로
표현되는 모든 전송선로에 일반적으로 적용할 수 있다. 반면, 위상 계수
β
(
ω
)
는 주로 인덕턴스와 캐패시턴스에 의해 결정된다. 케이블 내부 전파 특성과 파장에 영향을 미치는 상대 유전율의 실수 성분이 주파수에 따라 분산될 경우,
이에 따른 캐패시턴스의 변화가
β
(
ω
)
및 전파속도에 간접적으로 반영된다. 두 상수는 각각 각주파수에 대하여 다음과 같이 표현된다.
여기서
A
1
은 주로 유전 손실 증가에 민감하게 반응하는 컨덕턴스 성분에 의한 주파수 선형 감쇠 항이며,
A
2
는 표피효과 등 도체 특성에 기인한 항이다. 이 중
A
1
은 열화 및 노화로 인하여 케이블의 유전 손실이 커지거나 수분 유입 등으로 누설 경로가 형성될 때 변화한다. 따라서
A
1
은 절연 열화에 직접적인 반응성을 가지며, 특히 중·고주파 영역에서 주파수 의존적으로 급격히 증가한다. 반면,
A
2
는 도체 표면의 전류 밀도 분포로 나타나는 항으로, 구조적 특성과 주파수 변화에 따른 일반적인 현상으로 해석되며, 절연 열화와의 직접적 상관성은 낮다.
위상 계수의
B
1
은 절연체의 유전율 변화에 따른 위상 지연 항으로, 절연체의 분자 구조 변화나 기공의 팽창이 발생할 경우, 점진적으로 증가하는 경향을 보인다. 상태
간의 유의미한 차이를 보이지 않고 변동 폭이 작아서 감쇠 계수보다 열화 민감도는 낮지만, 구조적 변형 (수분 유입, 절연 팽창 등)에 대한 보조 지표로
해석될 수 있다.
3. 상태 지표화 기법
3.1 참조 앵커 설정
표 1은 IEEE 400.2-2024 VLF 기반 전력 케이블 진단 기법 표준의 절연체 종류에 따른
tan
δ
기법의 상태 기준을 정리한 결과이다 [7]. 정상 상태에서는
tan
δ
가 매우 낮아서
G
≈
0
으로 가정할 수 있다. 반면, 요주의 (
tan
δ
w
)및 이상 (
tan
δ
c
) 기준값에 대한 절연체별
G
w
,
G
c
를 산출한다. 이렇게 도출된 컨덕턴스 값은 전파 상수 계산에 반영되며, 결과적으로 정상, 요주의, 이상 상태에 대응하는 전파 상수 추정 및 회귀계수의
정규화 기준으로 활용하였다.
표 1. 절연체 종류에 따른 IEEE tanδ 상태 평가 기준
Table 1. IEEE tanδ condition assessment criteria according to insulation type
|
절연체 종류
|
XLPE [
10
−
3
]
|
EPR [
10
−
3
]
|
|
정상
|
< 0.1
|
< 0.5
|
|
요주의
|
0.1
∼
0.5
|
0.5
∼
1
|
|
이상
|
> 0.5
|
> 1
|
3.2 회귀계수의 정규화
전파 상수의 회귀계수인
A
1
과
B
1
의 절댓값은 케이블 길이, 구조, 측정 환경에 따라 달라지므로, 상대적인 비교를 위해 먼저 정규화가 필요하다. 이를 위해 절연체별
tan
δ
상태 평가 기준을 활용하여 케이블 내부 파라미터를 산출하고, 각 기준에서 얻은 회귀계수를 기준값으로 설정하였다. 이후 측정된 감쇠와 위상의 1차
계수인
A
1
,
m
e
a
s
와
B
1
,
m
e
a
s
를 다음과 같이 정규화한다.
여기서
A
1
,
n
,
B
1
,
n
은 이상적인 정상 상태,
A
1
,
c
,
B
1
,
c
는 이상 상태 경계 조건 상태에서의 기준 회귀계수를 의미한다.
3.3 민감도 기반 가중치 선정
정규화된 지표인
N
A
1
,
N
B
1
는 각각 열화에 대한 민감도가 달라서 단순 평균이 아닌 민감도 기반의 가중치를 적용한 선형 결합으로 상태를 점수화한다. 민감도는 정상 상태에서 이상
상태로 변화할 때 각 지표가 얼마나 변동하는지로 정의되며, 다음과 같이 근사할 수 있다.
여기서
A
1
,
w
,
B
1
,
w
는 요주의 상태에서의 회귀계수,
Δ
ln
G
는 요주의-이상 상태 간 컨덕턴스 변화량이다. 이를 바탕으로 가중치는 다음과 같이 산출된다.
3.4 단일 상태 지표 (HI) 산출
종합 심각도 (severity index)
S
는 정규화된 두 항목을 민감도 기반 가중치로 결합하여 다음과 같이 정의된다.
이 지표는 다시 IEEE 기준 앵커값에 고정된 구간 대응을 통해 단일 상태 지표로 변환된다. 정상, 요주의, 이상 상태는 각각 HI = 0, 0.4,
0.8에 대응하도록 설정되며, 그 사이의 값은 선형 보간으로 계산된다.
여기서
S
w
는 요주의 상태에서의 정규화 지표 값이다. 이와 같은 앵커 고정 방식은 케이블의 재질이나 기하 구조가 달라져도 같은 경계(0.4, 0.8)를 유지할
수 있도록 보장하며, 결과적으로 구조·재질 불변의 운용 가능한 진단 지표를 제공할 수 있다.
4. 열화 시뮬레이션 기반 알고리즘 검증
제안된 상태 지표 산출 기법의 타당성을 검증하기 위하여, 정상 케이블의 RLCG 파라미터를 기반으로 유전 손실 성분을 단계적으로 증가시켜 케이블 내부
열화를 모의하였고, 이에 따른 컨덕턴스를 기반으로 절연체 종류별 상태 지표를 산출하여 비교하였다. 전파 상수의 주파수 응답을 기반으로 절연체의 고주파
유전 손실 특성을 분석하기 위하여 10~90MHz 주파수 대역에서 수행되었다. 60 Hz 영역에서 공간전하 분극 및 전도성 손실이 지배적으로 나타나지만,
이러한 저주파 거동은 VLF
tan
δ
시험을 통해 별도로 평가할 수 있다. 반면 본 연구는 MHz 대역에서 측정할 수 있는 반사파·임피던스 응답을 이용하여 절연체의 주파수 의존적 감쇠
및 위상 특성을 분석하는 데 초점을 두었다. 대표 절연체로 XLPE 및 EPR를 갖는 두 가지 케이블을 대상으로 검증하였으며, 관련 파라미터는 표 2로 정리하였다. 산출된
γ
(
ω
)
를 기반으로
α
(
ω
)
,
β
(
ω
)
의 변화, 회귀계수
A
1
,
B
1
의 주파수 특성, 제안된 상태 지표의 절연체별 변화 등을 평가하였다.
표 2. 절연체별 시뮬레이션 대상 케이블
Table 2. Simulated cables for each insulation type
케이블
종류
|
절연체
종류
|
도체 반지름
[mm]
|
시스층 반지름
[mm]
|
|
RG-58
|
XLPE
|
0.405
|
1.475
|
저압 전력
케이블
|
EPR
|
2.055
|
3.195
|
그림 2는 두 종류 케이블에 대해 서로 다른 열화 상태에서 주파수에 따른 감쇠 계수
α
(
ω
)
와 위상 계수
β
(
ω
)
의 변화를 나타낸 것이다. 감쇠 계수
α
(
ω
)
는 전 주파수 영역에서
tan
δ
증가에 따라 단조적으로 상승하였으며, 이는 절연 손실 증대가 케이블 감쇠 특성에 직접적으로 반영됨을 보여준다. 반면 위상 계수
β
(
ω
)
는 거의 선형성을 유지하며 변화 폭이 제한적으로 나타났다. 이러한 결과는 절연체 내부에서의 유전 손실이 주로 감쇠 계수
α
(
ω
)
에 영향을 미치고, 위상 계수
β
(
ω
)
는 유전율 변화에 따라 비교적 완만하게 변동하거나 변화 폭이 미미할 것이라는 이론적 근사 모델과 일치한다. 또한, EPR의 유전율 (
ϵ
r
≈3.2)과 손실 인자가 XLPE (
ϵ
r
≈2.3) 보다 높기 때문에, 주파수 증가에 따라 감쇠 계수
α
(
ω
)
의 증가 폭이 더 크게 나타나는 경향을 보였다. 이는 제안된 감쇠 계수 모델이 절연 열화로 인한 주파수 의존적 전파 특성을 절연체별 물리적 특성 차이까지
정합적으로 반영함을 보여준다.
그림 2.
tan
δ
증가에 따른 감쇠 계수((a) XLPE, (b) EPR)와 위상 계수 ((c) XLPE, (d) EPR)의 변화
Fig. 2. Variation of attenuation and phase coefficients with increasing
tan
δ
그림 3. XLPE 및 EPR 케이블의
tan
δ
변화에 따른 HI 곡선
Fig. 3. HI curves of XLPE and EPR cables as a function of
tan
δ
variation
그림 3은 서로 다른 두 절연체 XLPE 및 EPR 케이블에서
tan
δ
값 증가에 따른 HI 곡선을 나타낸 것이다. 두 절연체 모두
tan
δ
가 낮을 때는 HI가 0 부근에 머물다가, 요주의 기준에 도달하면 HI가 약 0.4, 이상 기준에서는 HI가 약 0.8로 상승하였다. 이후
tan
δ
가 더 증가하면 HI는 점차 1.0에 수렴하여 심각한 열화 상태를 반영하였다. 또한 XLPE와 EPR은 임곗값 자체가 상이하여, 같은 HI 수준에
도달하는
tan
δ
범위가 서로 다르게 나타났다. 즉, XLPE는 상대적으로 낮은
tan
δ
에서 요주의–이상 상태로 전환되지만, EPR은 더 높은
tan
δ
범위에서 같은 HI 구간에 도달하였다. 이는 제안된 HI 지표가 절연체 종류에 따른 특성과 차이를 충실히 반영하며, 각각의 절연체에 적용할 수 있는
상태 구분 기준을 제공함을 보여준다.
그림 4. 케이블 길이에 따른 (a) HI 변화 시뮬레이션 결과와 (b) VLF 유효
tan
δ
의 변화 시뮬레이션
Fig. 4. (a) Simulated variation of HI with cable length and (b) simulation of effective
VLF
tan
δ
variation with cable length
케이블 길이에 따라 제안된 상태 지표와 VLF 유효
tan
δ
값의 변화를 분석하기 위하여 케이블의 길이를 100m~2km로 변화시키고 이에 따른 상태 지표의 변화 및 기존의
tan
δ
의 결과를 그림 4에 나타내었다. 그림 4(a)에서 볼 수 있듯이, 같은 절연 열화 수준 (
tan
δ
)에 대해 계산된 HI는 케이블 길이가 변화하더라도 거의 변화가 없다. 이는 케이블 내부 전파 상수가 단위 길이당 분포 정수로 정의되어 케이블 전체
길이에 의존하지 않고 절연체 고유 특성 및 열화 정도만을 반영하기 때문이다. 이 결과는 현장 적용 시 측정 길이에 무관하게 일관된 진단 결과를 얻을
수 있음을 의미한다. 그림 4(b)는 같은 열화 조건에서 케이블 길이만 변화시켰을 때 일반적인 VLF
tan
δ
의 측정식
을 적용한 결과를 나타낸다 [18]. 여기서
I
R
은 유전 손실에 의한 누설전류,
I
C
는 정전용량 전류이며,
ω
는 VLF 시험전류이다. VLF
tan
δ
측정에서는 전원에서 케이블 절연체를 충전하기 위해 충분한 전류가 공급되어야 하는데, 케이블 길이가 증가할수록 총 정전용량이 선형적으로 증가하므로
I
C
도 그에 비례하여 커진다. 하지만 실제 VLF 전원 장치의 출력 전류 용량에는 한계가 있으므로, 긴 케이블일수록 충전이 불완전해지고, 전류 비율인
I
R
/
I
C
이 점점 작아져 같은 절연 열화 상태에서도 측정된
tan
δ
값이 점점 작아지는 현상이 발생한다. 그림 4(b)는 이러한 충전 한계를 고려하여 시뮬레이션한 결과로, 케이블 길이가 증가함에 따라
tan
δ
측정값이 점차 감소하는 경향을 재현하였다. 이는 VLF
tan
δ
기법이 장거리 케이블에 직접 적용되기 어려운 이유를 보여주는 대표적 사례로, 케이블의 전체 용량이 증가할수록 실제 손실전류에 대한 상대적인 측정
정밀도가 떨어지기 때문이다. 반면, 제안된 상태 지표는 전파 상수에 기반하므로 충전 한계나 주파수 응답에 영향을 받지 않고 케이블 길이 및 시험 조건에
무관하게 일관된 상태 평가가 가능하다.
4. 결 론
본 논문에서는 전파 상수 기반 회귀계수를 활용하여 케이블 절연 성능을 정량적으로 평가할 수 있는 새로운 상태 지표 산출 기법을 제안하였다. 제안된
방법은 IEEE 400 표준에서 정의된
tan
δ
기준값을 앵커로 삼아, 감쇠 계수와 위상 계수의 회귀계수를 정규화하고, 민감도 기반 가중치를 적용하여 단일 지표로 통합하였다. 시뮬레이션 결과,
(i) 전파 상수 기반 주파수 응답을 통해 절연 손실 증가가 물리적으로 재현되었으며, (ii) Severity index–HI 대응은 절연체 종류와
가중치 변화에도 강건하게 유지되었고, (iii) IEEE
tan
δ
기준과 정합 된 HI 곡선을 산출함을 확인하였다. 이를 통해 제안된 HI는 절연체의 재질이나 구조에 무관하게 적용할 수 있으며, 국제 표준과 연계된
신뢰성 있는 열화 상태 지표로 활용될 수 있음을 입증하였다.
본 연구는 전파 상수 기반 절연 진단 알고리즘의 개념 정립 및 수치 시뮬레이션 검증 단계로서, 동심 등가 케이블 모델을 이용하여 절연체 고유 특성과
열화 정도의 관계를 규명하였다. 앞으로는 실제 케이블의 복합 절연층 (재킷·절연체) 과 중성선 및 차폐 구조를 반영한 전송선로 모델로 확장하고, 실험
데이터(LIRA 또는 BIS 측정 결과)를 이용하여 제안된 HI 기법의 현장 적용 가능성을 검증할 예정이다.
Acknowledgements
This work was supported by a Research Grant of Pukyong National University(2024)
References
Y.-K. Mo, 2024, Research on Data Structure and Life Evaluation for Advanced Electrical
Facilities Safety Management System, The Transactions of the Korean Institute of Electrical
engineers, Vol. 73, No. 11, pp. 2097-2106

C. E. Cho, O. Y. Lee, B. S. Park, 2024, Statistical Life Expectancy Evaluation of
MV Cables and Adequacy Review of Early Failure Removal, The Transactions of the Korean
Institute of Electrical engineers, Vol. 73, No. 6, pp. 987-994

E. Mustafa, 2026, Thermal degradation and multi-performance aging assessment of low
voltage nuclear cable, Electr. Power Syst. Res., Vol. 250

D. S. Kim, Y. S. Cho, S.-M. Kim, 2014, A study on three dimensional assessment of
the aging condition of polymeric medium voltage cables applying very low frequency
(VLF) tan δ diagnostic, IEEE Trans. Dielectr. Elec. Insul., Vol. 21, No. 3, pp. 940-947

B. Cao, 2024, A state-of-the-art review on insulation condition assessment for vehicle
cable terminal in EMUs, IEEE Trans. Transp. Electrif., Vol. 11, No. 1, pp. 2580-2594

Y.-S. Kim, T.-H. Kim, C.-M. Kim, K.-M. Shong, 2016, Analysis of Diagnosis and Very
Low Frequency Experiment to Detect of Fault on 22.9kV Class Cable, The Transactions
of the Korean Institute of Electrical engineers, Vol. 65, No. 10, pp. 1780-1785

2024, IEEE Std. 400.2-2024, IEEE Guide for Field Testing of Shielded Power Cable Systems
Using Very Low Frequency (VLF) (less than 1 Hz)

J.-B. Lee, Y.-H. Jung, 2010, An Amendment of the VLF tanδ Criteria to Improve the
Diagnostic Accuracy of the XLPE-insulated Power Cables, The Transactions of the Korean
Institute of Electrical engineers, Vol. 59, No. 9, pp. 1644-1651

P. F. Fantoni, 2009, Condition monitoring of electrical cables using line resonance
analysis (LIRA), Vol. 43512

P. F. Fantoni, G. J. Toman, 2006, Wire system aging assessment and condition monitoring
using line resonance analysis (LIRA), pp. 1-8

Z. Zhou, D. Zhang, J. He, M. Li, 2015, Local degradation diagnosis for cable insulation
based on broadband impedance spectroscopy, IEEE Trans. Dielec. Elec. Insul., Vol.
22, No. 4, pp. 2097-2107

Y. Ohki, 2010, Evaluation of broadband impedance spectroscopy on its monitoring ability
of cable aging, pp. 92-100

A. Zhang, C. Gao, W. Yang, Z. Zhou, Q. Li, 2019, Propagation coefficient spectrum
based locating method for cable insulation degradation, IET Sci. Meas. & Tech., Vol.
13, No. 3, pp. 363-369

S.-J. Chang, G.-Y. Kwon, C.-K. Lee, 2024, Assessment of cable degradation using reflectometry-based
dielectric loss estimation, IEEE Trans. Instrum. Meas., Vol. 73

X. Wang, E. Liu, B. Zhang, 2021, Reflectometry-based cable insulation aging diagnosis
and prognosis, IEEE Trans. Ind. Electron., Vol. 69, No. 4, pp. 4148-4157

C.-K. Lee, G.-Y. Kwon, Y.-J. Shin, 2018, Condition assessment of I&C cables in nuclear
power plants via stepped-frequency waveform reflectometry, IEEE Trans. Instrum. Meas.,
Vol. 68, No. 1, pp. 215-224

S. Tkatchenko, F. Rachidi, M. Ianoz, 2002, Electromagnetic field coupling to a line
of finite length: Theory and fast iterative solutions in frequency and time domains,
IEEE Trans. Electromag. Compat., Vol. 37, No. 4, pp. 509-518

S. Morsalin, T. B. Phung, M. Danikas, D. Mawad, 2019, Diagnostic challenges in dielectric
loss assessment and interpretation: A review, IET Sci. Meas. & Tech., Vol. 13, No.
6, pp. 767-782

저자소개
He received the B.S. degree from the Department of Control and Instrumentation Engineering,
Pukyong National University, Busan, South Korea, in 2025. He is currently pursuing
the M.S. degree with the Department of Intelligent Robot Engineering, Pukyong National
University, Busan, South Korea. His current research interests include asset management
system, diagnosis and prognostics of cables for condition-based maintenance, time-frequency
analysis, and signal processing.
He received the B.S. degree from the School of Electrical Engineering, Inha University,
Incheon, South Korea, in 2013, and the Ph.D. degree from the School of Electrical
and Electronic Engineering, Yonsei University, Seoul, South Korea, in 2019. Upon his
graduation, he joined the Department of Smart Distribution Laboratory, Korea Electric
Power Corporation (KEPCO) Research Institute, as a Researcher, in 2019. He joined
the Major of Control and Instrumentation Engineering, Pukyong National University,
in 2021. His current research interests include the Internet of Things (IoT)-based
electric equipment diagnosis, monitoring for condition- based maintenance, and advanced
protection coordination algorithm design for distribution systems.